EasyManua.ls Logo

GRE 777590 - Page 51

GRE 777590
188 pages
Print Icon
To Next Page IconTo Next Page
To Next Page IconTo Next Page
To Previous Page IconTo Previous Page
To Previous Page IconTo Previous Page
Loading...
- 48 -
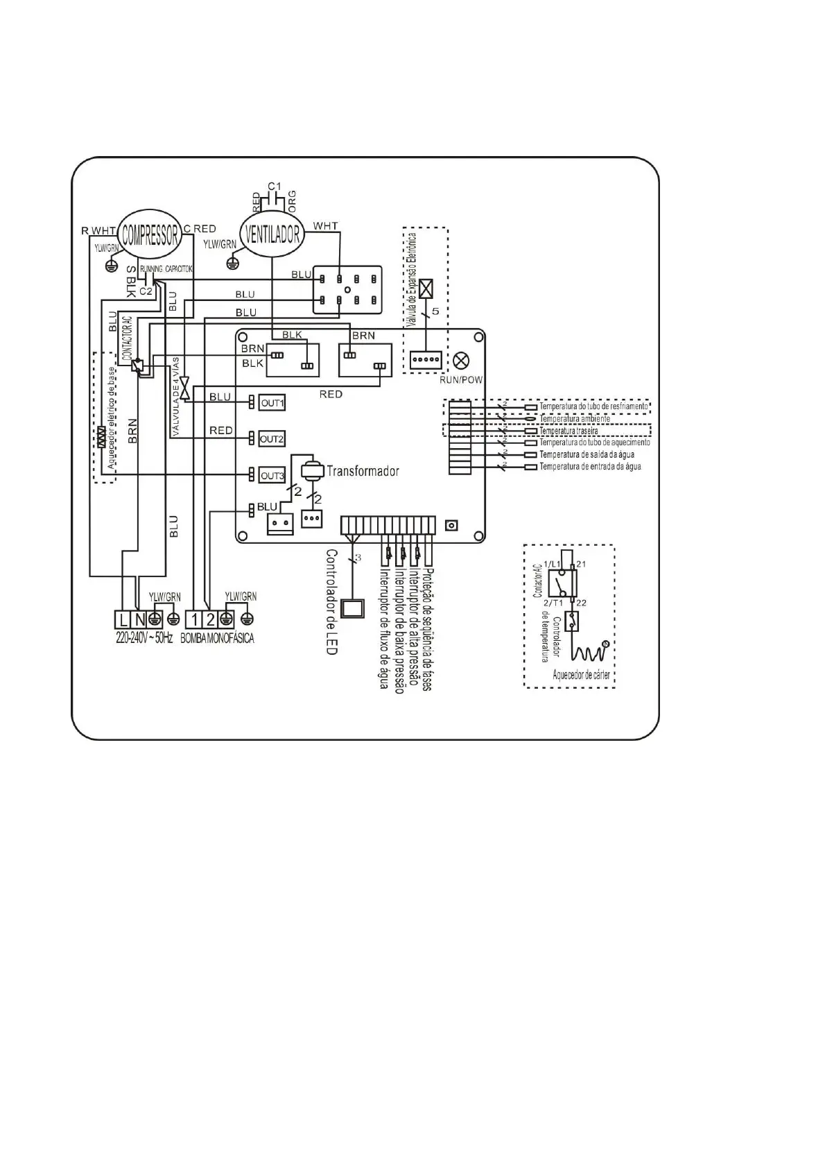
5.3CALEFACCIÓN DE LA BOMBA DE CALOR DE LA PISCINA DIAGRAMA
778393
* Las piezas señaladas a través de la línea de puntos sólo se utilizan en algunos modelos
NOTA:
(1) Por encima del diagrama de cableado eléctrico sólo para su referencia, se somete al diagrama de
cableado que aparece en la máquina.
(2) La bomba de calor de la piscina debe conectarse bien al cable de tierra, aunque el intercambiador de
calor de la unidad está aislado eléctricamente del resto de la unidad. El redondeo de la unidad todavía se
requiere para protegerlo contra los cortocircuitos dentro de la unidad. .
Desconexión: Los medios de desconexión (interruptor automático, fusible o fusible sin fusibles) deben
estar ubicados a la vista y fácilmente accesibles desde la unidad. Esto es una práctica común en bombas
de calor comerciales y residenciales. Evita que los equipos desatendidos se energicen a distancia y
permita desconectar la alimentación de la unidad mientras se realiza el mantenimiento de la unidad.

Related product manuals