EasyManua.ls Logo

GRE HPGI50 - Page 164

GRE HPGI50
282 pages
Print Icon
To Next Page IconTo Next Page
To Next Page IconTo Next Page
To Previous Page IconTo Previous Page
To Previous Page IconTo Previous Page
Loading...
162
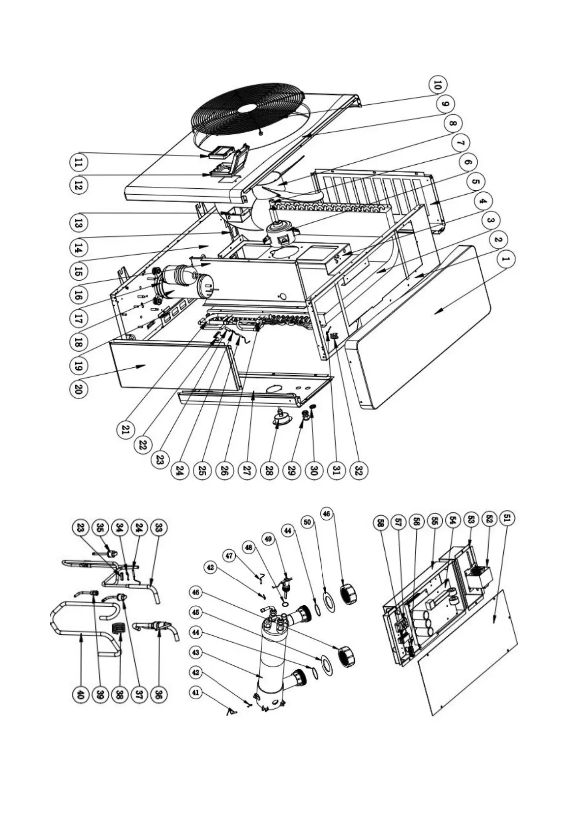
Modell: HPGI60/70/85

Table of Contents

Related product manuals