EasyManua.ls Logo

GRE HPGI50 - Page 176

GRE HPGI50
282 pages
Print Icon
To Next Page IconTo Next Page
To Next Page IconTo Next Page
To Previous Page IconTo Previous Page
To Previous Page IconTo Previous Page
Loading...
174
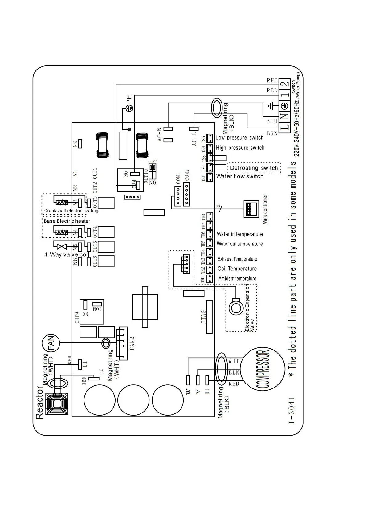
5. Cablaggi elettrico
5.1 Schema elettrico di una pompa di calore inverter
HPGI50, HPGI60 ,HPGI70,HPGI85

Table of Contents

Related product manuals