EasyManua.ls Logo

GRE HPGI50 - Page 191

GRE HPGI50
282 pages
Print Icon
To Next Page IconTo Next Page
To Next Page IconTo Next Page
To Previous Page IconTo Previous Page
To Previous Page IconTo Previous Page
Loading...
189
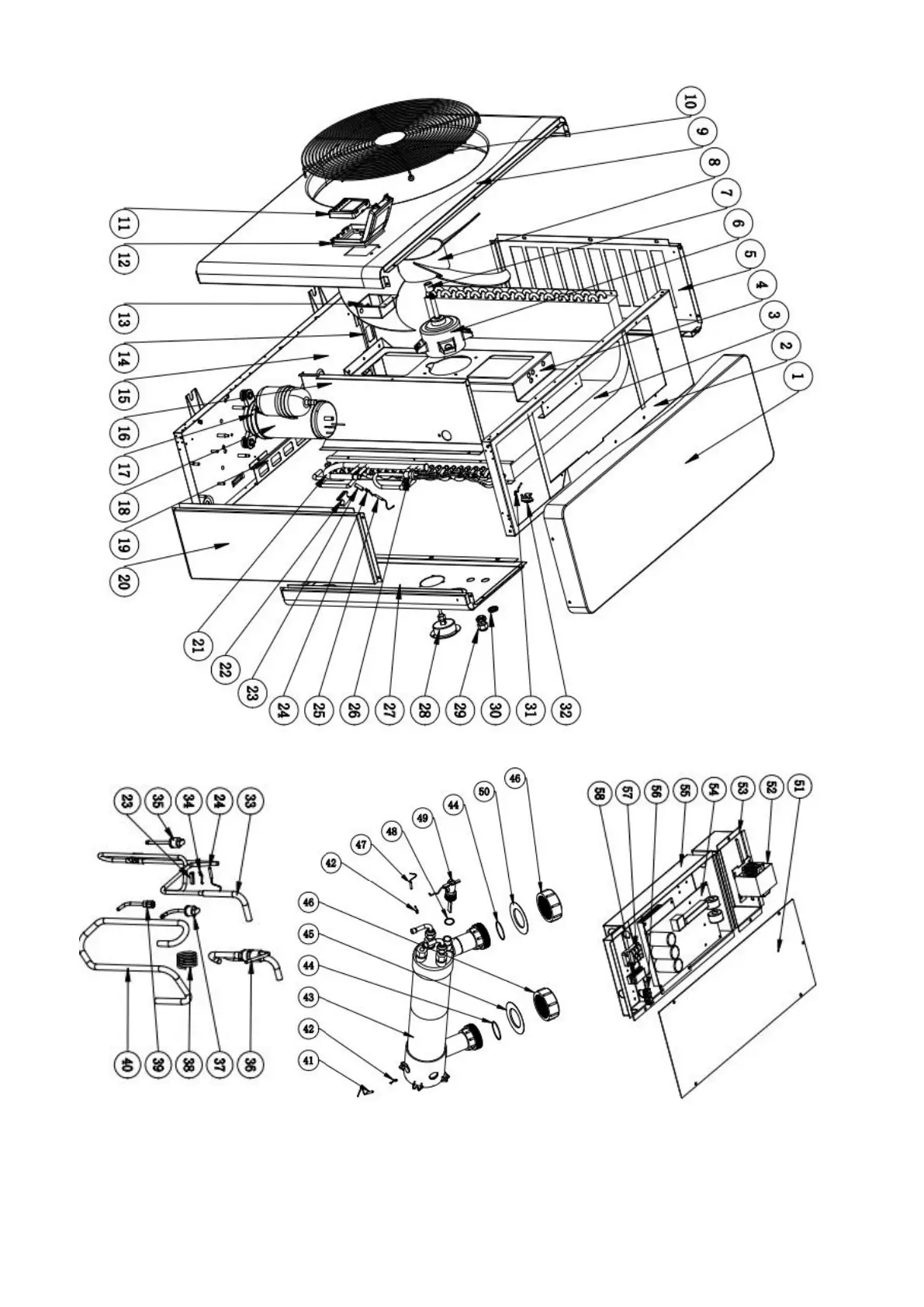
Model: HPGI60/70/85

Table of Contents

Related product manuals