EasyManua.ls Logo

GRE HPGI50 - Page 203

GRE HPGI50
282 pages
Print Icon
To Next Page IconTo Next Page
To Next Page IconTo Next Page
To Previous Page IconTo Previous Page
To Previous Page IconTo Previous Page
Loading...
201
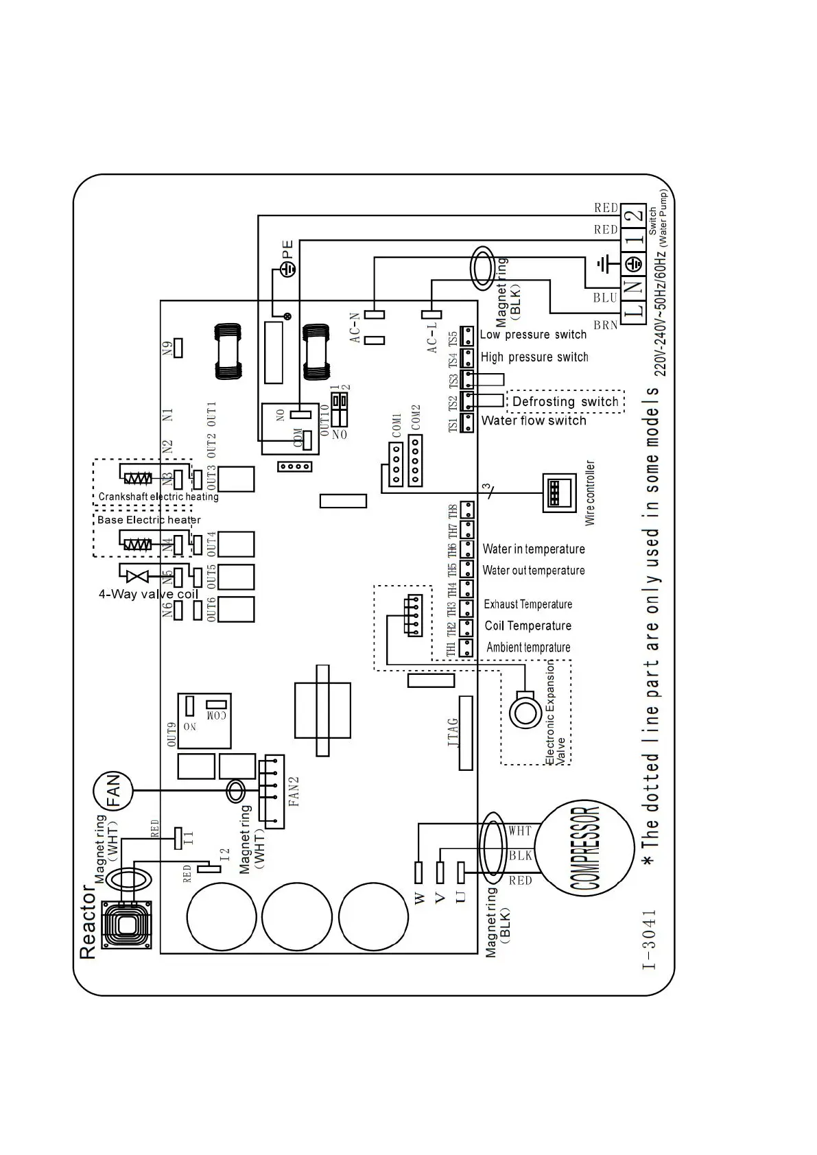
5. Elektrische bedrading
5.1 ZWEMBAD WARMTEPOMP BEDRADING SCHEMA
HPGI50, HPGI60 ,HPGI70,HPGI85

Table of Contents

Related product manuals