EasyManua.ls Logo

GRE HPGI50 - Page 245

GRE HPGI50
282 pages
Print Icon
To Next Page IconTo Next Page
To Next Page IconTo Next Page
To Previous Page IconTo Previous Page
To Previous Page IconTo Previous Page
Loading...
- 243 -
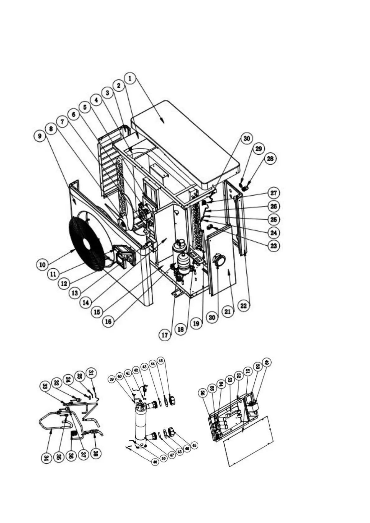
8. Diagrama Explodido
8.1 Modelo HPGI50

Table of Contents