EasyManua.ls Logo

Gree GMV-400WM/G-X - Page 42

Gree GMV-400WM/G-X
74 pages
Print Icon
To Next Page IconTo Next Page
To Next Page IconTo Next Page
To Previous Page IconTo Previous Page
To Previous Page IconTo Previous Page
Loading...
GMV DC Inverter VRF
38
Step 7: Close the high pressure gauge valve and replace the refrigerant tank.
Step 8: Re-execute "step 3".
Step 9: Repeat "step 5" and "step 6" to record the weight of m3 before charging refrigerant and
the weight of m4 after charging refrigerant.
Step 10: If the refrigerant cannot be continuously charged into the system and the calculated
added amount of refrigerant has not been fully charged into the system, record current total pre-
charging amount:
m=(m1-m2) +(m3-m4) +…+(mn-1-mn)
Remained refrigerant for start-up charging m`=M-m
“M” is the calculated total required refrigerant-charging volume.
If the amount of pre-charging refrigerant “m” has reached the total added amount of refrigerant
for the system, close the refrigerant tank valve immediately to complete the refrigerant-charging work.
Skip to the "step 11".
Step 11: Complete the refrigerant-charging work and remove the pressure gauge, etc.
(2) Start-up charging of refrigerant.
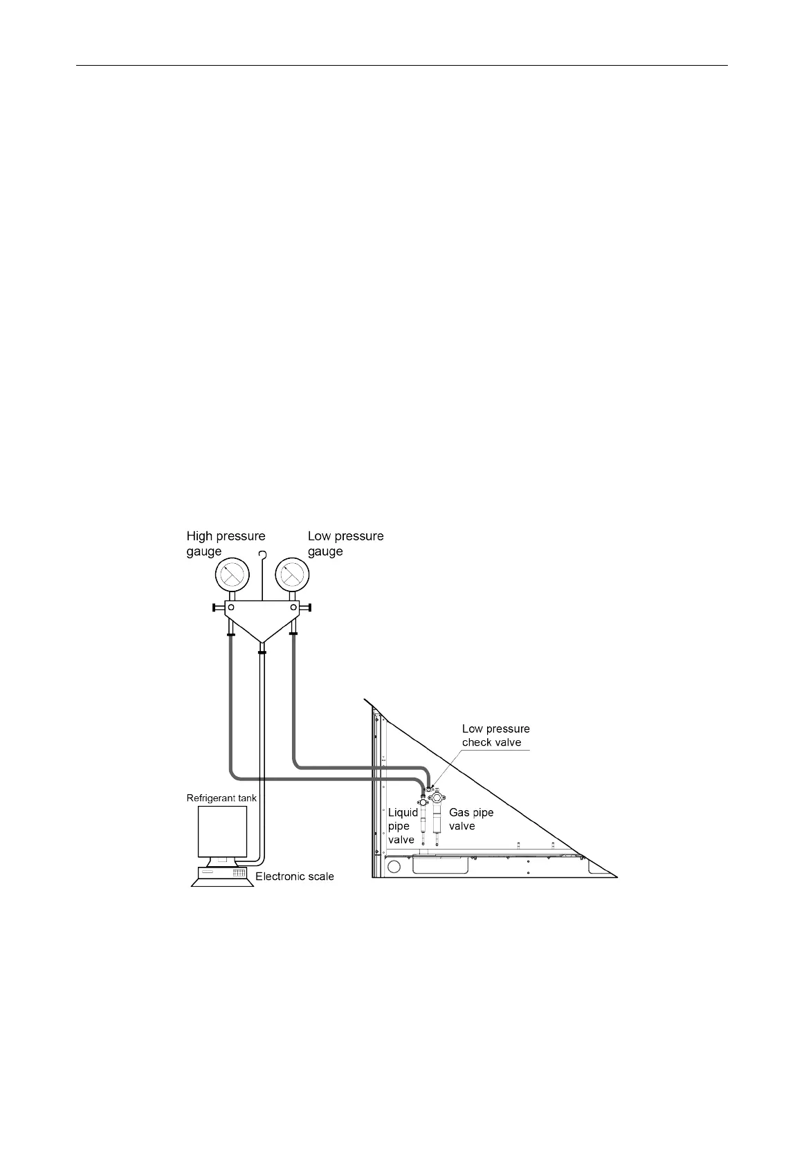
Step 1: Close the refrigerant tank valve and reconnect the pipe of pressure gauge. Remove the
pipe of low pressure gauge from the check port of gas pipe valve and connect it to the low pressure
check valve (as shown in the Fig.3.7.3).
Fig.3.7.3
Step 2: Fully open the liquid pipe valve and gas pipe valve of each module.
Step 3: Make the complete unit enter into debugging operation by the debugging software or the
main board of outdoor unit. (See the debugging part for the specific operation).
Step 4: When it comes to the procedure of charging refrigerant, open the refrigerant tank valve
and charge the residual refrigerant m`”.
Step 5: When all refrigerant has been charged, close the refrigerant tank valve and wait until the
automatic debugging for the complete unit is finished.

Other manuals for Gree GMV-400WM/G-X

Related product manuals