EasyManua.ls Logo

Gree GMV-ND71PHS/B-T - Page 129

Gree GMV-ND71PHS/B-T
227 pages
To Next Page IconTo Next Page
To Next Page IconTo Next Page
To Previous Page IconTo Previous Page
To Previous Page IconTo Previous Page
Loading...
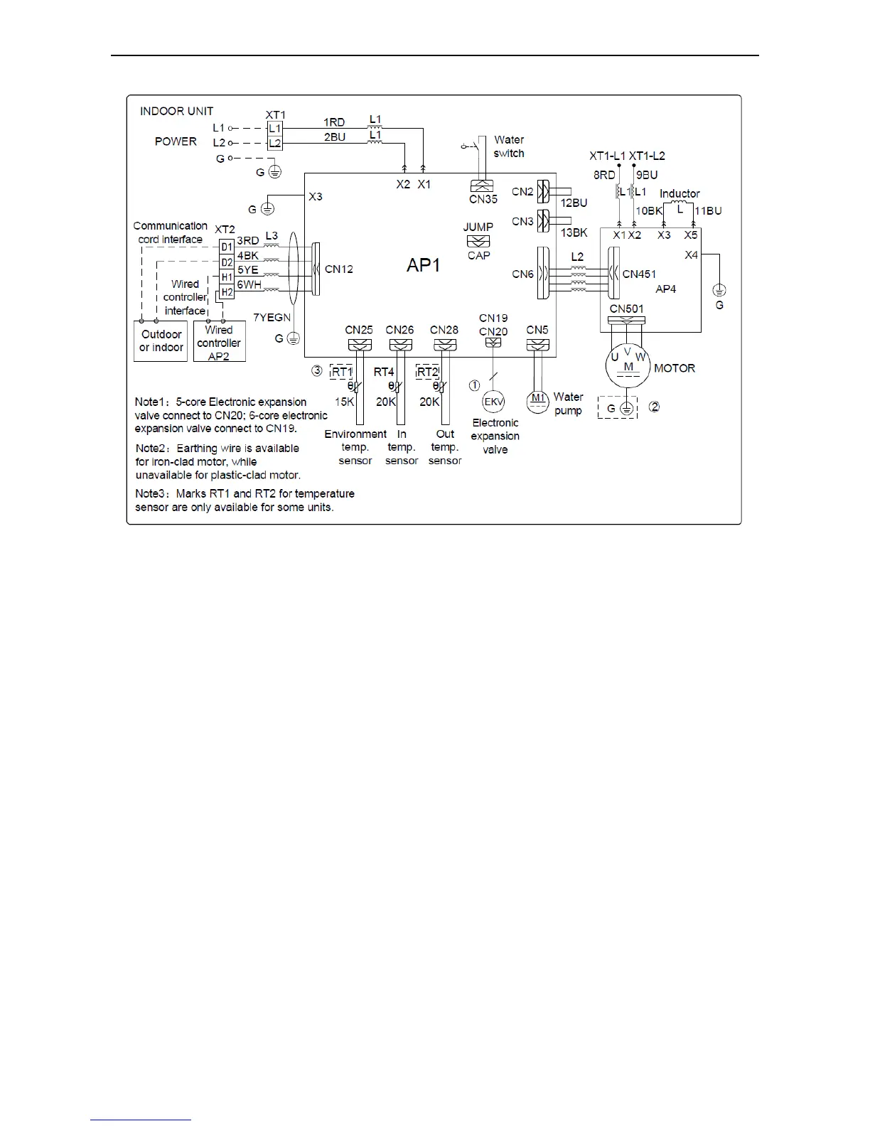
MULTI VRF- INDOOR UNIT SERVICE MANUAL EUROPEAN/LATIN AMETICA (R410A)
125
GMV-ND140PHS/B-TGMV-ND160PHS/B-T

Table of Contents

Other manuals for Gree GMV-ND71PHS/B-T

Related product manuals