EasyManua.ls Logo

Gree GMV-ND90PHS/B-T - Page 124

Gree GMV-ND90PHS/B-T
227 pages
To Next Page IconTo Next Page
To Next Page IconTo Next Page
To Previous Page IconTo Previous Page
To Previous Page IconTo Previous Page
Loading...
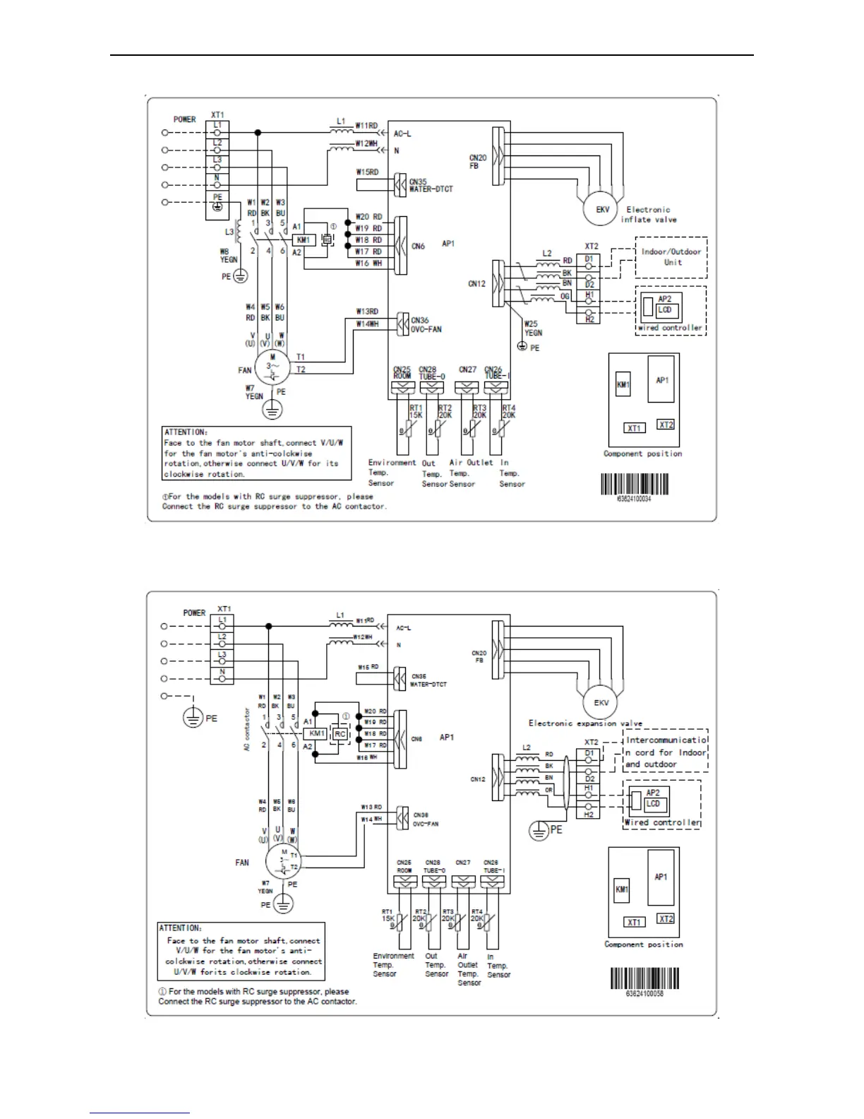
MULTI VRF- INDOOR UNIT SERVICE MANUAL EUROPEAN/LATIN AMETICA (R410A)
120
GMV-NX224P/A(X2.0)-MGMV-NX280P/A(X2.5)-MGMV-NX280P/A(X3.0)-M
GMV-NX450P/A(X4.0)-M

Table of Contents

Other manuals for Gree GMV-ND90PHS/B-T

Related product manuals