EasyManua.ls Logo

Gree GSW(12x2)-22L/A

Gree GSW(12x2)-22L/A
66 pages
To Next Page IconTo Next Page
To Next Page IconTo Next Page
To Previous Page IconTo Previous Page
To Previous Page IconTo Previous Page
Loading...
6
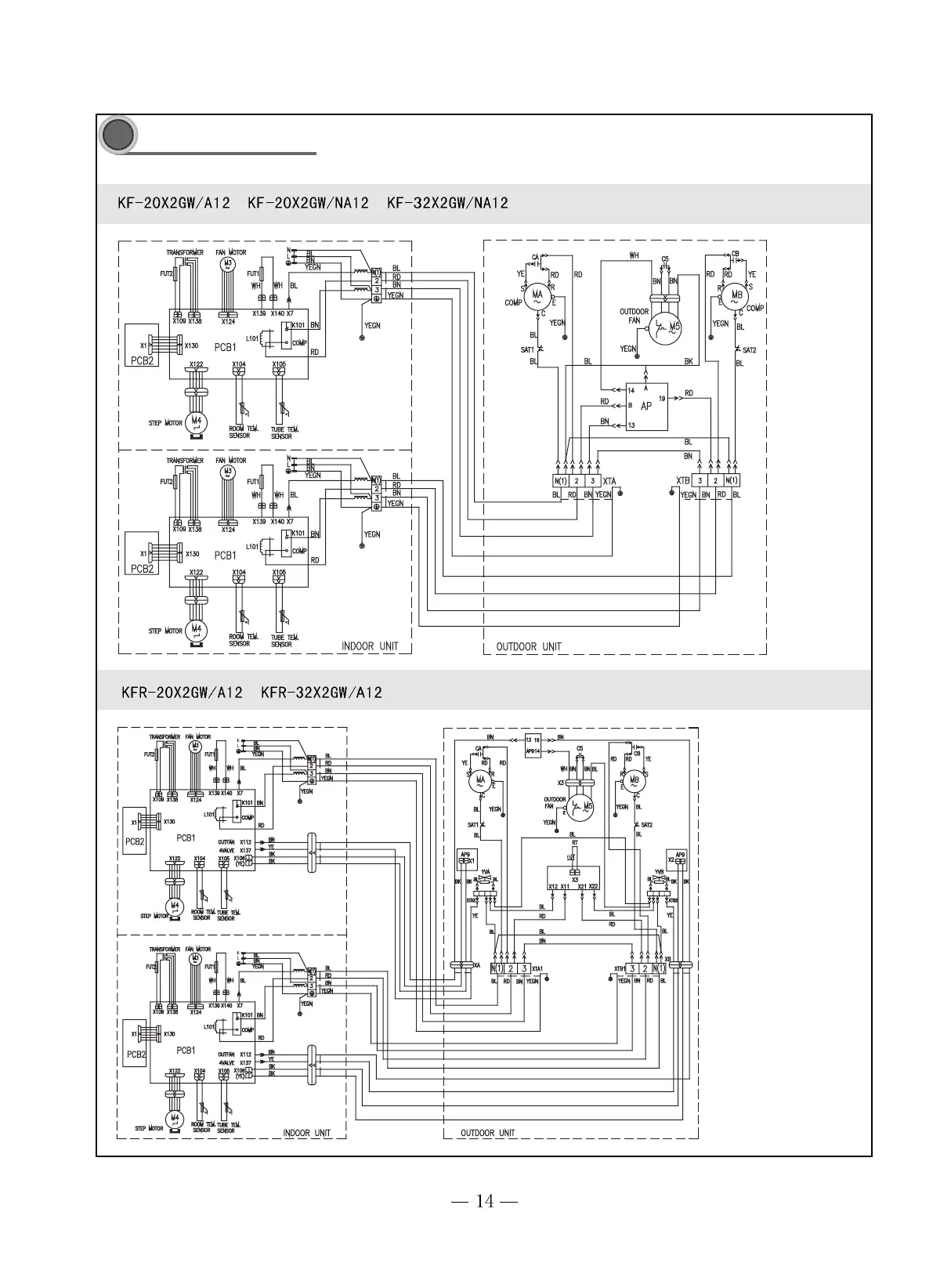
Circuit diagram

Related product manuals