EasyManua.ls Logo

Gree GWH12QD-S6DBD6A/I

Gree GWH12QD-S6DBD6A/I
123 pages
To Next Page IconTo Next Page
To Next Page IconTo Next Page
To Previous Page IconTo Previous Page
To Previous Page IconTo Previous Page
Loading...
18
Technical Information
Service Manual
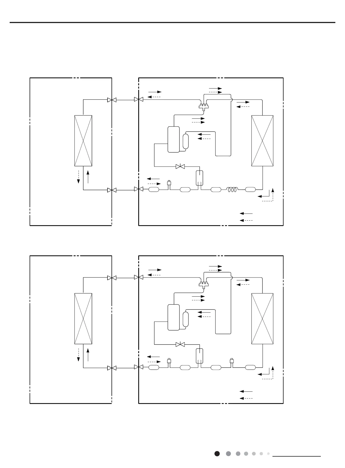
4. Refrigerant System Diagram
Connection pipe specication:
Liquid pipe:1/4" (6mm)
Gas pipe: 3/8" (9.52mm) (09/12K)
Gas pipe: 5/8" (16mm) (18/24K)
INDOOR UNIT OUTDOOR UNIT
HEAT
EXCHANGE
(EVAPORATOR)
HEAT
EXCHANGE
(CONDENSER)
COMPRESSOR
GAS SIDE
3-WAY VALVE
LIQUID SIDE
2-WAY VALVE
COOLING
HEATING
Accumlator
Discharge
Suction
4-Way valve
Electron
Strainer
Strainer
expansion
valve
Strainer
Capillary
D
Strainer
Intercooler
INDOOR UNI
TO
UTDOOR UNIT
HEAT
EXCHANGE
(EVAPORATOR)
HEAT
EXCHANGE
(CONDENSER)
COMPRESSOR
GAS SIDE
3-WAY VALVE
LIQUID SIDE
2-WAY VALVE
COOLING
HEATING
Accumlator
Discharge
Suction
4-Way valve
Electron
Strainer
Strainer
expansion
valve
Strainer
Capillary
D
Strainer
Intercooler
Cooling & Heating model
09/12/24K
18K

Table of Contents

Related product manuals