EasyManua.ls Logo

Gree R1 - Page 27

Gree R1
53 pages
Print Icon
To Next Page IconTo Next Page
To Next Page IconTo Next Page
To Previous Page IconTo Previous Page
To Previous Page IconTo Previous Page
Loading...
Service Manual
Technical Information
24
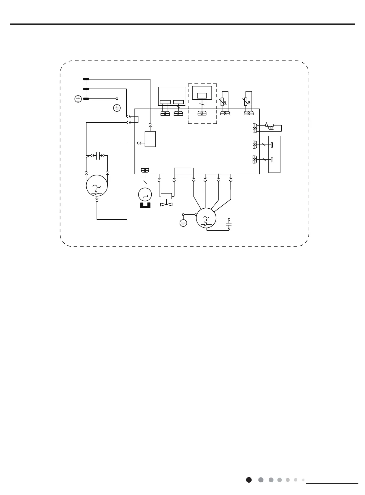
These wiring diagrams are subject to change without notice; please refer to the one supplied with the unit.
%8
%8
%.
&203
5220
1
/
78%(
&1
&1
&203
%1%.
%8:+
<(*1*1
32:(5
&$3
&
50
6
&
3(
/
&203
$3
',63/$<%2$5'
5(&(,9(5$1'
',63/$<
1
35,17('&,5&8,7%2$5'
$3
&1
$3
32:(5
&1
52207(03
6(1625
0
02725
6:,1*
&1
5'
<(
02'8/(
6(1625
78%(7(03
28778%(
6(1625
28778%(7(03
$3
:,),02'8/(
&1
&1
:,),
237,21$/
.
9
:$<
9$/9(
97
1
)/
)0
)+
<9
%1
5'
<(
%.
%8
0
:+
)$102725
&$3
&
97
<(*1
3(
600007062871
GJH18AE-K6NRNR1A GJH18AE-K6NRNR1B GJH18AE-K6NRNB3A GJH18AE-K6NRNB9A GJH18AE-K6NRNG1A
GJH21AE-K6NRNR1A GJH21AE-K6NRNR1B GJH21AE-K6NRNB3A GJH21AE-K6NRNB9A GJH21AE-K6NRNG1A

Related product manuals