EasyManua.ls Logo

Grindmaster Espressimo 1750 - Exploded Views 1750

Grindmaster Espressimo 1750
28 pages
Print Icon
To Next Page IconTo Next Page
To Next Page IconTo Next Page
To Previous Page IconTo Previous Page
To Previous Page IconTo Previous Page
Loading...
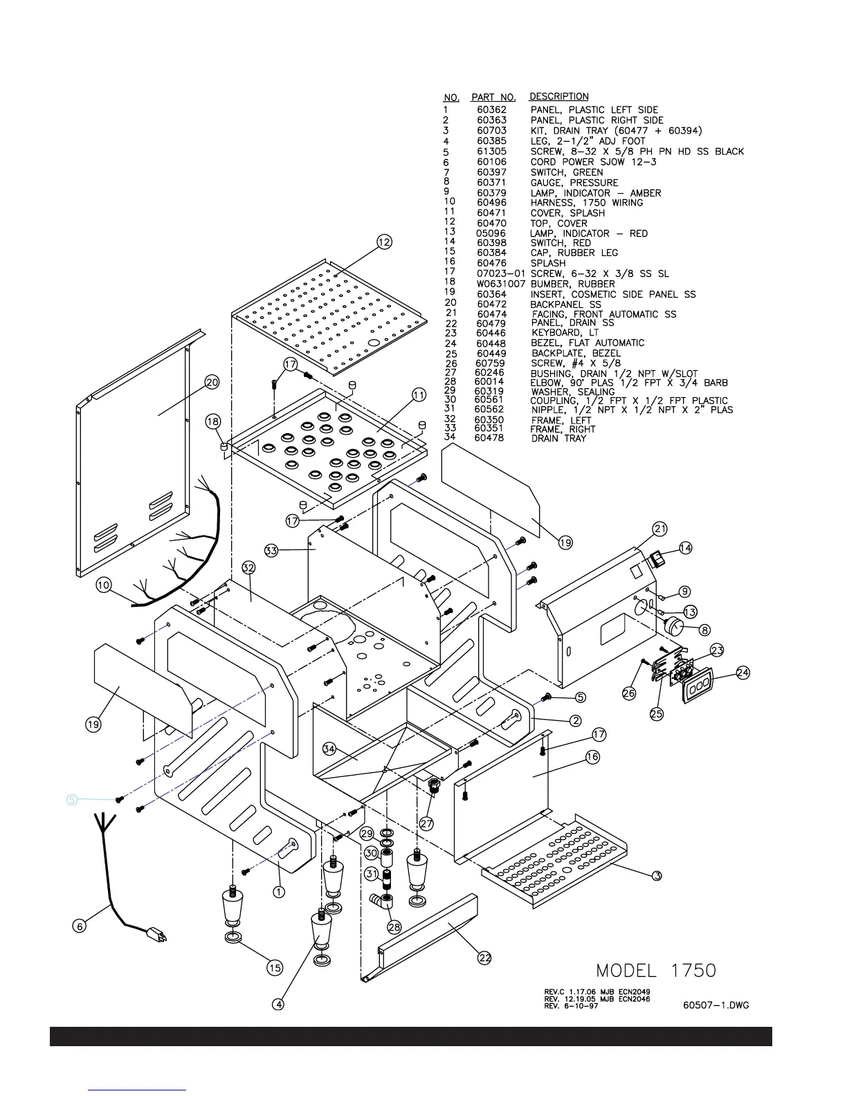
Models 1750, 1750Q & 1750E Exploded View (Page 1 of 3)
Page 23 Espressimo 2450 & 1750 Espresso Cappuccino Machines

Related product manuals