EasyManua.ls Logo

Grow R503 - Automatic Fingerprint Verification

Grow R503
50 pages
Print Icon
To Next Page IconTo Next Page
To Next Page IconTo Next Page
To Previous Page IconTo Previous Page
To Previous Page IconTo Previous Page
Loading...
- 38 -
www.hzgrow.com
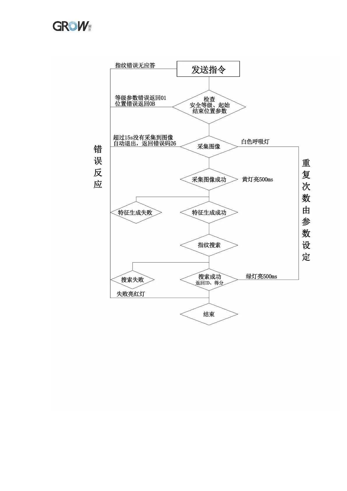
Automatic Fingerprint Verification
Send instruction
Fingerprint error,no respond
Check the security
level and Start end
position parameters
Level parameter error, return 01
Position erroe, return 0B
Error
respond
If no image is captured for
more than 15 seconds, the
system automatically exits,
return error code 26
Collect image
White breathing light
Collect image successfully
Yellow light
turn on
500ms
Generate feature successfully
Generate feature fail
Fingerprint search
Search successfully
Return ID and Score
Finish
Search fail
Fail: red light turn on
Green light turn on 500ms

Table of Contents