EasyManua.ls Logo

Grundig 40 - Page 18

Grundig 40
53 pages
Print Icon
To Next Page IconTo Next Page
To Next Page IconTo Next Page
To Previous Page IconTo Previous Page
To Previous Page IconTo Previous Page
Loading...
GRUNDIG Service Chassis LE 37"
18
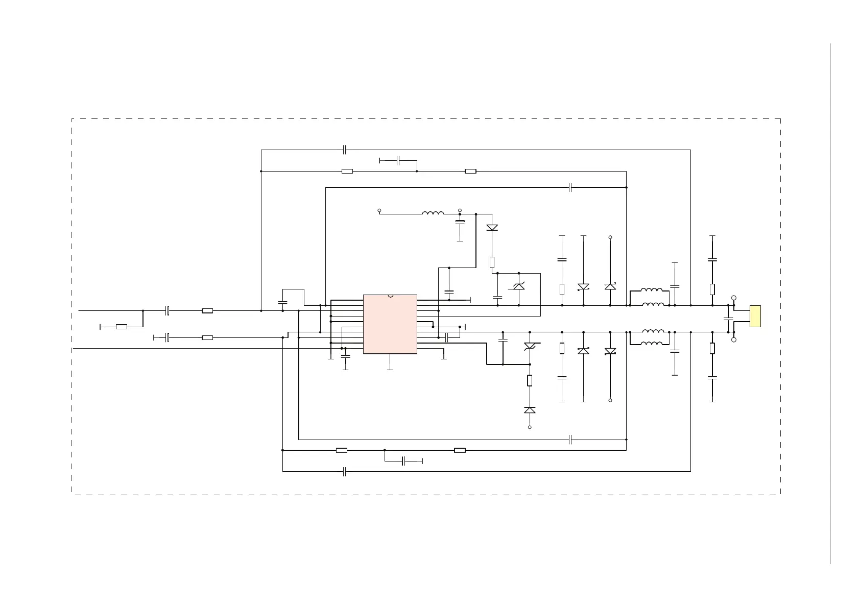
Audio - Verstärker / Amplifier - HW1.190
FB
FB752
VCC_24V
1N4148-SOT23
D754
C782
1UF25V X7R C783
1UF16V X5R
R773
20K
GND
GND
GND
L752
10uH/3.5A
L753
10uH/3.5A
C789
1UF25V X7R
C790
1UF16V X5R
R779
20K
1N4148-SOT23
D760
24V_AMP
24V_AMP
R774
10R
R778
10R
D756
SL23
D759
SL23
C780
390P NPO
C793
390P NPO
GND
GND
GND
GND
GNDGND
63V
C786
470N
1
2
S752
MOLCON2
C784
2N2 X7R
GND
C785
NC
R775
5K1%1
R771
50K %1
R772
50K %1
C779
NC
C788
1P NPO
R776
5K1 %1
C787
1P NPO
R770
100K%1
C776
27P NPO
R780
100K%1
C794
27P NPO
SW_OUT
R777
NC - 10K
GND
C792
10U25V / LESR
SOFT_MUTE
AK
D755
ZENER 6V2
A K
D758
ZENER 6V2
D757
N.C. - SL23
24V_AMP
D765
N.C. - SL23
24V_AMP
N.C.
C777
10U25V / LESR
GND
GND
GND
GND
R784
10R
C796
100N
GND
R783
10R
C795
100N
GND
C778
CAP1000U35V
63V
C791
220N
63V
C781
220N
N.C.
AGND1
4
NC
1
NC
5
EN2
10
PIN2
8
NIN1
3
EN1
6
NC
11
NIN2
7
PGND1
20
PGND2
15
VDD2
13
SW2
14
NC
16
VDD1
18
BS1
17
PIN1
2
AGND2
9
SW1
19
BS2
12
PAD
21
U752
MPS7782
GND
C491
100N
GND
L752a
10uH/3.5A_SMD
L753a
10uH/3.5A_SMD
TP406
TP407

Related product manuals