EasyManua.ls Logo

Grundig Chassis D5 - ZL6.192-02 AV Board

Grundig Chassis D5
38 pages
Print Icon
To Next Page IconTo Next Page
To Next Page IconTo Next Page
To Previous Page IconTo Previous Page
To Previous Page IconTo Previous Page
Loading...
GRUNDIG Service Chassis D5
3 - 16
2-Nov-2004
65 YC
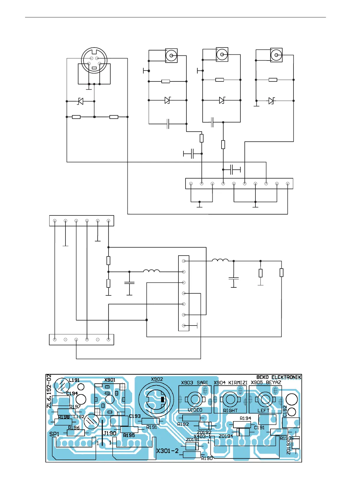
X902
SVHS
X905
LEFT
X904
RIGHT
1
2
3
X903
VIDEO
R192
75R
C191
1N
R193
240K
C192
1N
R194
240K
1
2
3
4
5
6
7
8
9
10
X403-1
ZD191
6.2
R190
75R
R191
75R
ZD193
?
ZD192
?
ZD194
6.2
RR
L192
47uH
L191
47uH
1
2
3
4
5
6
7
X901
JACK
C193
47n
R196
1k
R195
220R
R197
220R
R198
1K
C194
47n
L
L
.
R199
470R
1/4W
R200
470R
1/4W
C195
1N
C196
1N
1
2
3
4
6
5
X301
1
2
3
4
6
5
JP?
SP1
ZL6.192-02 - AV-Platte / AV Board

Related product manuals