EasyManua.ls Logo

Grundig Chassis D5 - ZL6.191 Keyboard

Grundig Chassis D5
38 pages
Print Icon
To Next Page IconTo Next Page
To Next Page IconTo Next Page
To Previous Page IconTo Previous Page
To Previous Page IconTo Previous Page
Loading...
GRUNDIG Service Chassis D5
3 - 18
2-Nov-2004
1
2
3
4
5
6
7
X402
CON7
TV/DVD
TACT
SWITCH
TACT
SWITCH
TACT
SWITCH
STOPREWIND
R52
1K5
PLAY/PAUSE
TACT SWITCH
FORWARD
TACT SWITCH
EJECT
TACT SWITCH
R55
1K5
R51
1K8
R54
1K8
(-)
TACT
SWITCH
TACT
SWITCH
PR/VOL
TACT SWITCH
(+)
TACT SWITCH
R58
1K8
R57
2K2
MENU
R59
JUMPER
Q50
C102M
2
1
3
PA1
IR
LED1
D1
R61
1K
C51
100U/16V
R62
10K
C54
*
C53
*
R64
JUMPER
R63
100R
C52
100U/16V
L51
*
R53
JUMPER
R56
JUMPER
R60
JUMPER
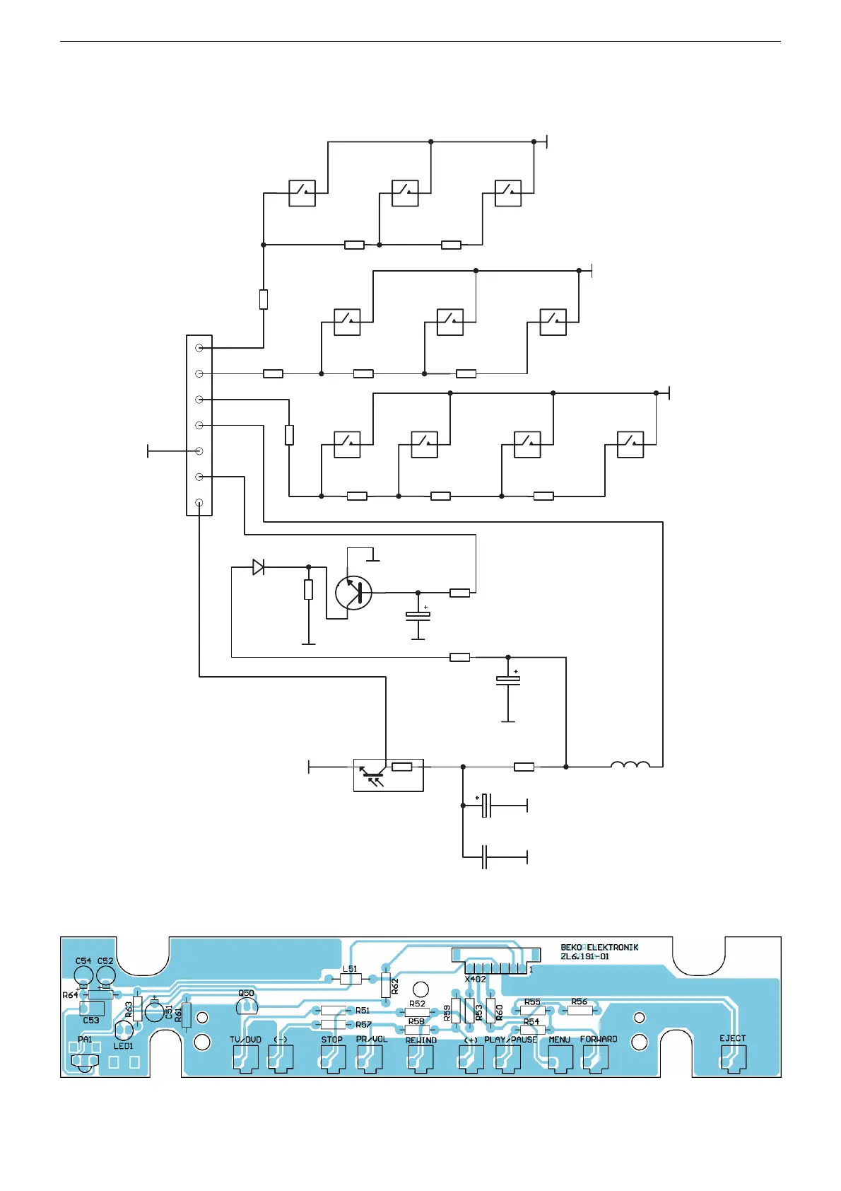
ZL6.191 - Bedienplatte / Keyboard

Related product manuals