EasyManua.ls Logo

Grundig Chassis D5 - ZL5.191 Keyboard; ZL5.195 Keyboard

Grundig Chassis D5
38 pages
Print Icon
To Next Page IconTo Next Page
To Next Page IconTo Next Page
To Previous Page IconTo Previous Page
To Previous Page IconTo Previous Page
Loading...
GRUNDIG Service Chassis D5
3 - 17
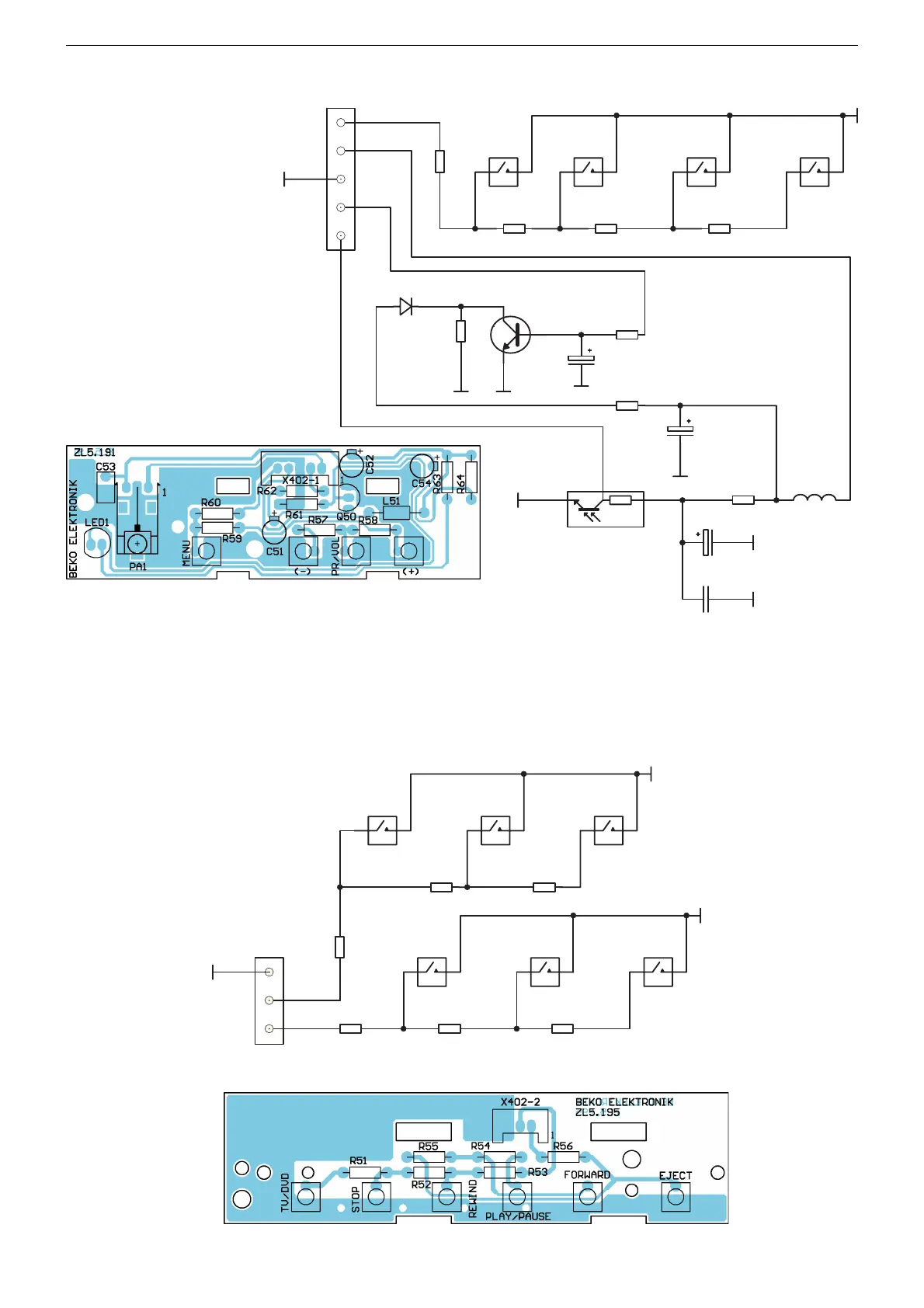
(-)
TACT
SWITCH
PR/VOL
TACT
SWI T CH
TACT
SWI T CH
TACT
SWI T CH
(+)
R58
1K8
R57
2K2
MENU
R59
1K5
Q50
C102M
2
1
3
PA1
IR
LED1
D1
R61
1K
C51
100U/16V
R6 2
10K
C54
*
C53
*
R64
JUMPER
R63
100R
C52
100U/16V
L51
*
R60
JUMPER
1
2
3
4
5
X402-1
ZL5.191 - Bedienplatte / Keyboard
2-Nov-2004
TV/DVD
TACT
SWI T CH SWI T CH SWI T CH
STOP
TACT
REWIND
TACT
R52
1K5
PLAY/PAUSE
TACT
SWI T CH
FORWARD
TACT SWITCH
EJECT
TACT SWITCH
R55
1K5
R51
1K8
R54
1K8
R53
JUM PER
R56
JUMPER
1
2
3
X402-2
CON3
ZL5.195 - Bedienplatte / Keyboard

Related product manuals