EasyManua.ls Logo

Grundig UMS 2 - Page 34

Grundig UMS 2
Print Icon
To Next Page IconTo Next Page
To Next Page IconTo Next Page
To Previous Page IconTo Previous Page
To Previous Page IconTo Previous Page
Loading...
UMS 1 / UMS 2
3 - 4
Schaltpläne und Platinenabbildungen / Circuit Diagrams and Layout of PCBs
GRUNDIG Service
UMS 1 / UMS 2
3 - 3
Schaltpläne und Platinenabbildungen / Circuit Diagrams and Layout of PCBs
GRUNDIG Service
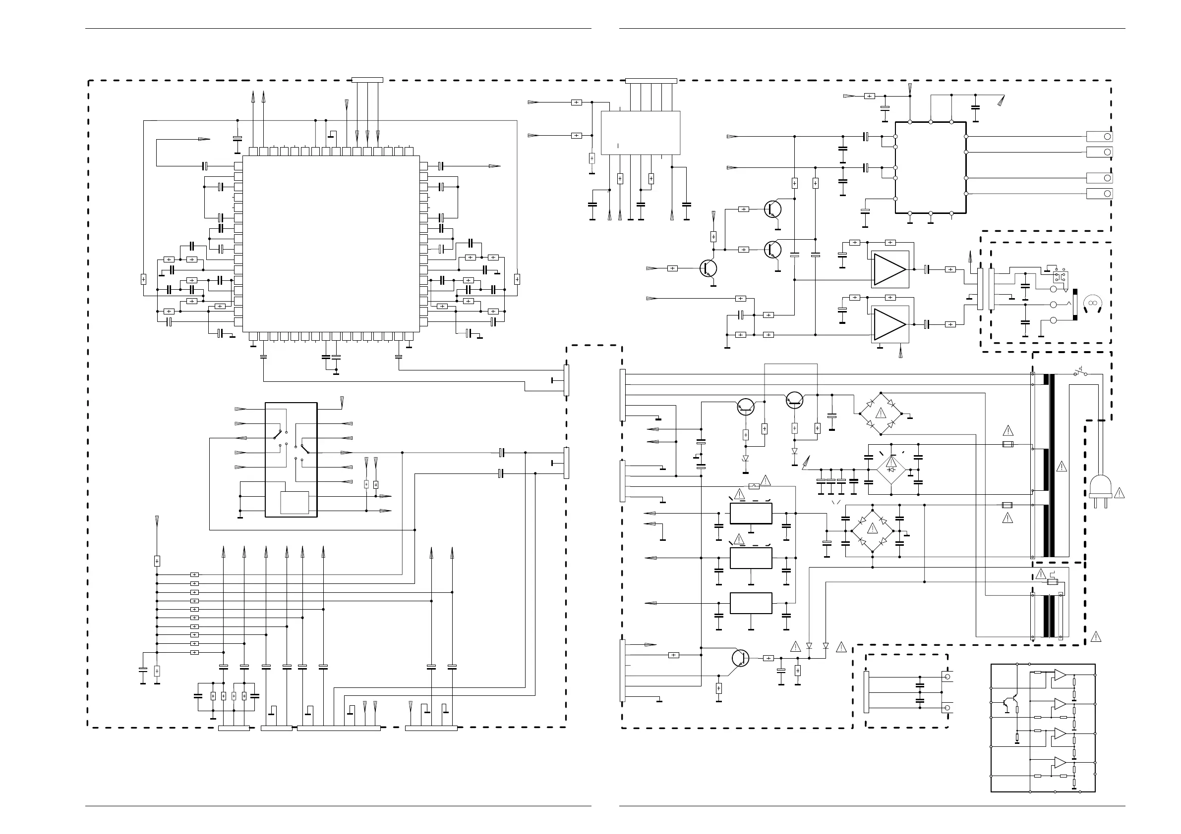
Schaltbild / Circuit Diagram
Audio
VCC VCC
OUT1
OUT2
OUT3
OUT4
CLIP DET
SUR PW-GND S-GND
IN4
IN3
IN2
IN1
4
7
5
12
11
10
14
15
2
1
3
13
68 9
A1
A2 INV
A3
A4 INV
+
-
+
-
+
-
+
-
IC103
TDA7370
ST-BY
T5AL
36V
D405
-
+
48
7
5
6
IC104
1K2
R403
C
220P
C130
+
47U
C225
+
C215
1U
JK112
47K
R226
3K3
R401
1N4002
D403
C
U22
C413
+
47U/16V
C405
+
220U/50V
C401
1N4002
D413
680
R402
10K
R219
C
U1
C414
C
U1
C407
+
6800U/25V
C403
T5A
F401
+
10000U/25V
C410
C
U1
C406
C
U1
C411
1N4002
D411
1N4002
D412
1N4002
D414
1N4002
D416
C
U1
C412
C
U1
C126
+
4.7U
C124
+
4.7U
C224
+
0.22U
C125
C
100PC261
GND
OUT IN
13
2
IC401
7805
+
47U
C128
115DEG.C
BC548B
T402
C
U1
C402
C
100PC161
T1.25A
F402
47KR233
+
U47
C415
GND
OUT IN
13
2
IC402
7812
47KR234
C
U1
C408
JK112
18K
R404
C
U1
C211
1N4002
D415
1KR235
47K
R405
47K
R406
+
47U
C228
1KR232
4K7
R225
12K
R407
BC338-25
T203
BC640
T403
4
3
2
1
TC2A
1N4002
D404
1N4002
D402
1N4002
D401
+
220U/50V
C404
3.3K
R220
+
10000U/25V
C417
4K7
R210
+
10U
C220
+
10U
C208
+
10U
C219
10K
R211
2K2
R212
C
U1
C210
C
4N7
C213
10K
R209
560K
R217
6K8
R214
C
47N
C212
C
U1
C214
6K8
R213
5
4
3
2
1
TC506
C
U22
C216
+
10UC218
+
10U
C217
4K7
R111
P8
P7
P6
LATCH
CLOCK
DATA
VCC
GND
REF
VDD
P5
P4
P3
P2
P1
P0
GND
VCAI1
SEL1
IN1-4
IN1-3
IN1-2
IN1-1
FIL
DAC
IN2-1
IN2-2
IN2-3
IN2-4
SEL2
VCAI1
GND2
BUFHO2
BUFHI2
TONEH2
BUFLO2
BUFLI2
TONEL2
BBO2
BBI2
BBI2
BASNF2
BASIN2
TREIN2
MIDNF2
MIDIN2
REF2
VCAO2
BUFHO1
BUFHI1
TONEH1
BUFLO1
BUFLI1
TONEL1
BBI1
BBO1
BBI1
BASNF1
BASIN1
TREIN1
MIDNF1
MIDIN1
REF1
VCAO1
64
63
62
61
60
59
58
57
56
55
54
53
52
51
50
49
48 47 46 45 44 43 42 41 40 39 38 37 36 35 34 33
32
31
30
29
28
27
26
25
24
23
22
21
20
19
18
17
16151413121110987654321
IC101
M62413FP
+
10U
C108
+
C115
1U
C
U1
C110
+
10U
C109
10K
R109
+
22U C121
10K
R110
2K2
R112
C
U1
C111
C
4N7
C113
C
47N
C112
560K
R117
6K8
R114
C
U1
C114
6K8
R113
8
7
6
5
4
3
2
1
TC102
+
10U
C117
C
U22
C116
C
33N
C107
+
10U
C119
+
10UC118
+
10UC120
+
10U
C104
15
14
13
12
11
1098
7
6
5
4
3
2
1
IC103
TDA7370
+
10U
C103
+
10U
C102
+
10U
C101
+
22U
C207
C
U1
C122
+
10U
C201
+
10U
C202
+
10U
C203
+
10U
C204
+
C106
10u
22K
R236
47K
R237
3
2
1
FC606
+
C206
10u
+
1U
C127
C
22n
C457
C
22n
C456
+
47U
C229
470KR244C
C
22n
C455
C
22n
C454
C
2N2
C162
BC338-25
T102
22
R222
27K
R221
+
47U
C129
C
220P
C230
22
R122
27K
R121
3.3K
R120
12K
R223
+
47U
C131
+
1U
C227
C
2N2
C262
BC338-25
T202
12K
R123
C
U1
C409
OUT10/16K
K16
10/
INPUT
OUTPK
OUT4K
OUT1K
OUT250
VSS
GND
CLKC
CLKR
CLK/2
VDD OUT63
14
13
12
11
10
9
87
6
5
4
3
2
1
IC102
XR1093
4.7
R231
5V6
D406
+
C416
47K
R126
2
1
2
1
3
4
1
2
4K7
R127
BR10
D407
1K5
R119
4K7
R125
4
3
2
1
JK111
C
U1
C222
100K
R218
C
1N
C221
+
10U
C209
5
4
3
2
1
CN601
4
3
2
1
JK110
100K
R118
1
3
2
JK113
470KR244E
3
2
1
TC1A
220K
R224
220K
R124
6
5
4
3
2
1
FC604
BC640
T401
470KR244D
470KR244B
470KR144D
470KR144A
470KR144E
470K
R144B
470KR244A
470KR144C
5
4
3
2
1
TC605
3 L
2
1 R
CN117
3
2
1
CN608A
3
2
1
CN608B
4K7
R128
10K
R228
4K7R239
+
100UC135
4K7
R131
-
+
1
3
2
IC104
1/2
NJM4556
47KR143
47KR243
GND
OUT IN
13
2
7809
IC404
C
U1
C462
C
U1
C461
VDD
Y2A
Y1A
ZA
YOA
Y3A
A
B
GND
VEE
EN
Y1B
Y3B
ZB
YOB
4052BD
Y2B
1
2
3
4
5
6
7
8
9
10
11
12
13
14
15
16
IC105
FIL2
FIL1
-VEE
HP-SW
HP-SW
R
L
+14.4V (UMS1)
+16V (UMS2)
IC105-P15
IC105-P15
+9V
+9V
IC101-P32
IC101-P32
LATCH
IC105-P5
IC105-P5
IC105-P4
IC105-P4
L-FR-VOL
FR-IC101-C220
FR-IC101-C220
FR-IC101-C220
+12V
+12V
+12V
+12V
+12V
+12V
+12V
+12V
+12V
R-FR-VOL
IC105-P2
IC105-P2
IC105-P1
IC105-P1
IC105-P14
IC105-P14
IC105-P11
IC105-P11
IC101-P31
IC101-P31
REC_R
IC105-P12
IC105-P12
DATA
CLOCK
PWR_DOWN
+5V
+5V
+5V
+5V
+5V
+5V
+5V
+5V
STDBY
STDBY
STDBY
FR-IC101-C120
FR-IC101-C120
FR-IC101-C120
HP-IN
-5V
-5V
F1
REC-L
F2
F3
F4
F5
HEADPHONE BOARD
SPEAKERS 4.0 OHMS
P/N:445.0096.00(UMS1) P/N:445.0092.00(UMS2)
50/60Hz
AC230V
THERMIK GERAETEBAU
NO:S01-120 DEGREE C.
P/N:445.0093.00
VOL-OUT
VOL-IN
TO AUX SOCKET BD
TC117A
PAGE 3-4
TO KEYBOARD CONTROL TC601
PAGE 3-8
TO CONTROL/CD BOARD
CN605
PAGE 3-14
TO CONTROL/CD BOARD
FC606
PAGE 3-14
TO CONTROL BOARD WT604
PAGE 3-14
TO TUNER BOARD CN2A
PAGE 3-13
TO CONTROL/CD BOARD
CN506
PAGE 3-15
TO CASSETTE BOARD
CN102
PAGE 3-21
TO TUNER BD
CN1A
PAGE 3-13
(-36V)
L-TO-VOL
R-TO-VOL
AC 4V
+5V
TO VOLUME BOARD TC606
PAGE 3-8
1/2
NJM4556
JK 119
JK 114
JK 120
JK 121
JK 114
100p
C261
3
2
1
TC117A
TO AUDIO BOARD CN117 PAGE 3-3
100p
C161
AUX SOCKET BOARD
R
L
AUX
+6.8V (UMS1), +7.8V (UMS2)
+6.8V (UMS1), +7.8V (UMS2)
+6.8V (UMS1), +7.8V (UMS2)
+6.8V (UMS1), +7.8V (UMS2)
+4.8V
+0.8V
+0.8V
+0.8V
+0.8V
+0.8V
8V
8V
+6V
+6V
+6V
+6V
+6V
+6V
-37V
-35V
-5.6V
+18V
+14.4V (UMS1)
+16V (UMS2)
POWER AMP.
+5V
+5.6V
+3.6V
+1.7V
+1.7V
+2V
+1.8V
+3.5V
+3.5V
+3.6V
+3.6V
+3.5V
+3.5V
+1.8V
+1.8V
+1.8V
+2.6V
+3.6V
+3.6V
+5.8V
+3.6V
+4V
TO IC105
TO IC101
TO VOLUME BOARD TC606
PAGE 3-8

Related product manuals