EasyManua.ls Logo

Grundig UMS 2 - CD-Laufwerk

Grundig UMS 2
Print Icon
To Next Page IconTo Next Page
To Next Page IconTo Next Page
To Previous Page IconTo Previous Page
To Previous Page IconTo Previous Page
Loading...
5
4
3
2
1
6
5
4
3
2
1
TO CN501 PAGE 3-16
5
10
1
9
7
6
3
8
4
1
2
3
4
7
11
12
10
9
8
6
5
RADIAL-
FOCUS+
FOCUS-
RADIAL+
SUBSTRATE
D5
D4
D3
D2
D1
+LASER
GND
LASER
LASER PICK UP
RADIAL
FOCUS
2
SLIDE REST SWITCH
CD DOOR SWITCHES
SLIDE MOTOR
DISC MOTOR
LOADING MOTOR
SW1
SW2
(DOOR CLOSED)
TO CN503 PAGE 3-15TO CN502 PAGE 3-16
2
3
1
3 - 20GRUNDIG Service
UMS 1 / UMS 2
3 - 19
Schaltpläne und Platinenabbildungen / Circuit Diagrams and Layout of PCBs
GRUNDIG Service
Schaltplan / Circuit Diagram
Cassette
P
220p
C408
T102
BC550C
L-CH
ERASE-HEAD
C
1N2
C132
C
1N2
C232
5
4
3
2
1
T103
BC550C
10k
R106
1k
R107
220k
R105
470
R111
390k
R109
220
R104
100p
C105
100p
C106
4.7k
R110
3.9n
C108
680
R113
13k
R115
3.9k
R118
T105
BC5
3.3n
C111
150k
R120
T205
BC54
+
2.2u/100v
C109
+
2.2u/100v
C209
150k
R220
10
R2
3.3n
C211
T203
BC550C
3.9k
R218
13k
R215
680
R213
3.9n
C208
4.7k
R210
100p
C206
100p
C205
220
R204
390k
R209
470
R211
220k
R205
1k
R207
10k
R206
T202
BC550C
T126
BC338-40
T127
BC338-40
T125
BC337-25
22n
C402
+
10u/50v
C405
22k
R411
4
6
25
1
3
78
L401
10n
C406
270p
C407
22k
R412
5.6n
C403
5.6n
C404
T124
BC548C
T122
BC548C
T118
BC548C
100k
R407
680
R410
1.5k
R408
22k
R406
100k
R402
100k
R403
100k
R404
10k
R405
+
47u/50v
C401
22
R401
BIAS_SHT
OPT1
560
R409
T117
BC548C
+
100u/25V
C118
1k
R166
150
R169
1k
R170
22k
R168
T210
BC54
+
10u/16v
C410
10k
R232
+
10u/50v
C235
330p
C234
22k
SVR204
0.1u
C237
13k
R131
13k
R231
0.1u
C137
22k
SVR104
330p
C134
+
10u/50v
C135
+
2.2u
C204
+
2.2u
C104
10k
R132
T110
BC548C
R-CH
220k
SVR103
220k
SVR203
P
220p
C409
EH
T123
BC558B
1
R413
R=L
P=H
POS.
PLAY
582
469713
IC103
uPC1330HA
+12V
+12V
+12V
HEAD SWITCH
PLAYBACK EQUALIZER
RECOR
BIAS GENERATOR
R.REC
L.REC
TO ERASE HD.
TO R/P HD.
0V
0V
HEAD
CURRENT
L
HEAD
CURRENT
R
(6.3
(0
(6.3
(0
(0V)
(0V)
(11.3V)
(6.5V)
(11.9V)
(6.4V)
(10V)(5.8V)
(5.8V)
(0.3V)
(0.3V)
(0.7V)
(5.8V)
L1
(10.8V)
(0V)
9.5V
BIAS L
BIAS R
R/P HEAD
1.2V
1.2V
0.5V
12V
11.4V
0.5V
1.2V
1.2V
2.6V
2.6V
0V
0V
0.6V
0.6V
RP1
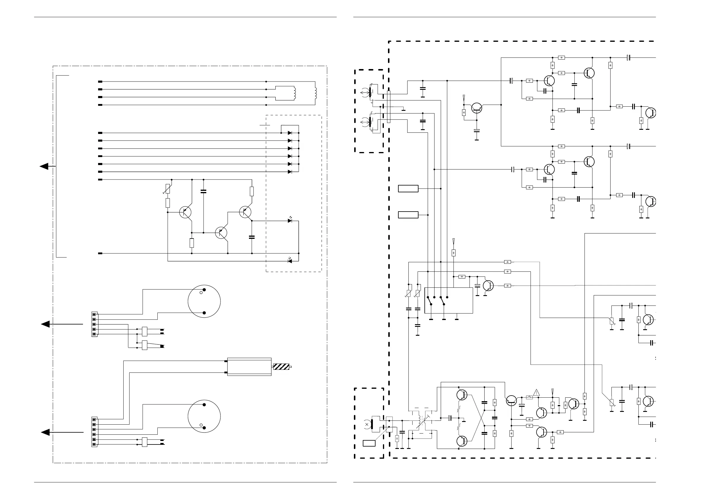
CD-Laufwerk
CD Drive Mechanism
UMS 1 / UMS 2 Schaltpläne und Platinenabbildungen / Circuit Diagrams and Layout of PCBs
Einstellregler nicht verstellen!
Do not re-adjust the preset control!
S

Related product manuals