EasyManua.ls Logo

Grundig UMS 2 - Page 44

Grundig UMS 2
Print Icon
To Next Page IconTo Next Page
To Next Page IconTo Next Page
To Previous Page IconTo Previous Page
To Previous Page IconTo Previous Page
Loading...
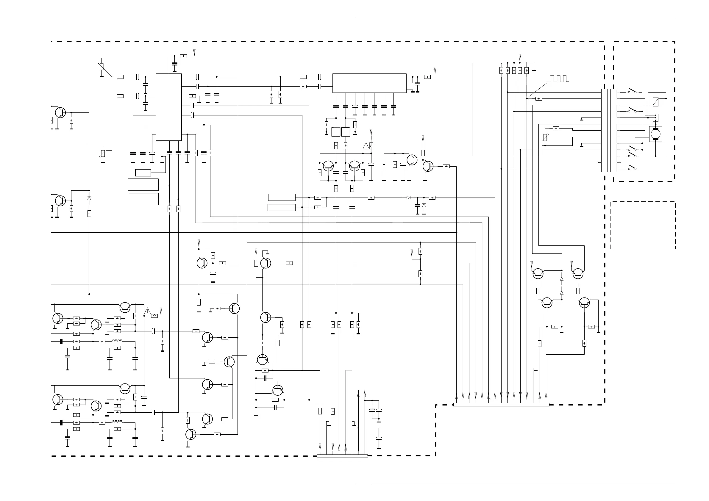
UMS 1 / UMS 2
3 - 22
Schaltpläne und Platinenabbildungen / Circuit Diagrams and Layout of PCBs
GRUNDIG Service
UMS 1 / UMS 2
3 - 21
Schaltpläne und Platinenabbildungen / Circuit Diagrams and Layout of PCBs
GRUNDIG Service
+
2200U/16VC308
T105
BC548C
100k
R128
T205
BC548C
100k
R228
FILTER
MPX
3
7
6
F224
T210
BC548C
T209
BC558B
T211
BC558B
220
R236
15k
R237
56k
R238
220
R242
1.2M
R243
2.2k
R246
T111
BC558B
560k
R235
0.1u
C237
10k
R239
+
22u/25v
C238
240k
R244
+
1u
C239
270
R245
10m
L202
3.3n
C240
150
R247
6.8n
C241
6.8n
C141
150
R147
3.3n
C140
10m
L102
270
R145
+
1u
C139
240k
R144
+
22u/25v
C138
10k
R139
0.1u
C137
560k
R135
2.2k
R146
1.2M
R143
220
R142
56k
R138
15k
R137
T109
BC558B
+
100u/25v
C245
220
R136
T110
BC548C
47k
SVR102
47k
SVR202
1N4148
D104
15k
R162
T305
BC548B
T306
BC636
10k
R332
3.3k
R333
1k
R334
T220
BC558B
+
C307 2200U/16V
4.7k
R189
T214
BC338-40
T207
BC558B
100k
R159
+
0.47u
C219
100k
R171
10k
R173
3.9k
R254
T114
BC338-40
T213
BC548C
3.9k
R154
6.8k
R252
10k
R253
T113
BC548C
4.7k
R249
4.7k
R149
T115
BC338-25
10k
R153
6.8k
R152
10k
R172
T116
BC558B
22k
R175
T219
BC558B
4.7k
R160
100k
R259
T215
BC338-25
3.9k
R258
470
R155
2.2MR262
3.9k
R158
3N3
R257
470
R255
470p
C158
3N3
C157
100k
R157
+
1u
C113
22
R150
220kR266
+
100u
C218
BC550C
T222
220p
C114
1k
R122
0.68u
C244
0.68u
C144
1k
R222
220p
C214
+
1u
C213
+
2.2u
C142
+
2.2u
C242
220
R229
+
2.2u
C115
+
2.2u
C215
+
2.2u
C243
+
2.2u
C143
220p
C216
220p
C116
R223
3.6k
R123
3.6k
100k
R125
100k
R225
10K
R164
+
10u
C217
1k R165
+
100u
C117
43K
R130
2.7k
R350
4.7k
SVR106
10k
R156
68k
R342
4.7k
R344
4.7k R345
4.7k R346
68k R341
BC548B
T128
BAT42
D305
3.9C
D304
10n
C155
33k
R302
220p
C250
220p
C251
220p
C150
220p
C151
+
10u/16v
C163
+
10u/16v
C262
+
10u/16v
C162
3.3k
R181
3.3k
R281
1k
R264
+
100u
C304
1k
R265
1.5M
R179
+
100u
C153
BC550C
T223
270
R183
4.7k
R180
ALC_OFF OPT3
4.7k
R124
4.7k
R224
T302
BC327-25
+
4.7u
C164
22k
R129
16
15
9
81214532710
6
11
IC105
TA8135P
T301
BC548B
4.7k
R305
0.1U
C264
R230
22
4.7k
R306
4.7k
R194
10
7
5
11
6
1
16
4
15
13
12
8
9
3
14
2
IC104
CXA1100P
0.1U
C265
+
2.2u
C170
+
2.2u
C270
2.2MR263
3.9k
R292
10k
R256
220kR267
4.7k
R343
1N4148
D306
1N4148
D307
10k
R338
3.3k
R339
680
R340
3.9k
R192
BC548B
T217
BC548B
T218
+
1000U/16V
C309
62kR268
62kR269
100P
C269
100P
C268
5.6k
R282
5.6k
R182
+
100u
C230
FILTER
MPX
3
7
6
F124
15
14
13
12
11
9
8
7
6
5
4
3
2
10
1
TC603
1
2
3
4
5
6
7
8
9
10
11
12
13
CTL-MECH.
REC-R
CRO2
MODE
HALF
REC-F
-
+
M
1
2
3
4
5
6
7
8
9
10
11
12
13
CTL-MECH.
8
7
6
5
4
3
2
1
CN102
L.LINE.OUT
MOTOR
REC-MUTE
CR
MODE
MODE
MOTOR
MOT+
REC-R
REC-R
+12V
+12V
+12V
+12V
+12V
+12V
+12V
+12V
+12V
SOL.DRIVER
REC
ANALOG-I/P
+5V
+5V
+5V
+5V
SOL
R.LINE.OUT
DOLBY-R/P
PWR-KEY
PWR-KEY
REC-L-CH
R-O/P
L-O/P
GND
GND
HEAD-SW
DIG.GND
HALL
LINE-MUTE
REC-R-CH
REC-F
REC-F
DOLBY-ON/OFF
MOT.DRIVER
PLAYBACK
LEVEL L
REC-MUTE
MECH. DECK (R/P)
CRF 4134
REDUCTION
DOLBY NOISE
ALC
LINE MUTE
R
ECORDING EQUALIZER
SPEED ADJ
D2
D1
R. DOLBY TP
L. DOLBY TP
SIG.GND
TO CONTROL/CD BD. CN603
PAGE 3-14
TO AUDIO BD. TC102
PAGE 3-3
HALL IC
SERVO MAGNET
2-4V
0
11.9V
0V
0V
11.3V
11.5V
11.5V
11.9V
0.7V
0V
0V
0V
0V
0V
0V
0V
0V
0V
0V
0V
0V
0V
0V
0V
1.3V
1.3V
1.3V
1.3V
1.1V
1.2V
1.2V
1V
0V
11.8V
0.8V
2.8V
2.8V
2.8V 2.8V 2.8V 2.8V 1V 2.8V 1V 0V
9.6V
0V
0.8V
0V
6.1V
6.6V
6.6V
12V
12V
6.1V
11V
5.6V5.6V
5.6V
5.6V
0.5V
0.5V
5.6V
5.6V
1.2V
5.6V
0V
5V
5.7V
5.7V
PLAYBACK
LEVEL R
0V
0V
0V
0V
(6.3V)
(2.5V)
(11V)
(2V)
(0.7V)
(0.7V)
(11.7V)
(6.3V)
(2.5V)
(11V)
(2V)
(0.7V)
(11.7V)
(0.7V)
(...V) = MEASURED RELATIVE TO GND DURING RECORDING OF A CR CASSETTE WITHOUT SIGNAL
(V) = MEASURED RELATIVE TO GND DURING PLAYBACK
SOLENOID
REC-F
REC-R
CRO2
HALF
MODE
Aufnahmesperre "Normal"
Recording lock "Normal"
Aufnahmesperre "Reverse"
Recording lock "Reverse"
Bandsortenkennung
Tape select
Cassettenerkennung
Cass. "loaded" ident.
Kopfschlittenschalter
Head carrier switch
=
=
=
=
=
Laufwerkschalter
Drive mech. switches

Related product manuals