EasyManua.ls Logo

Guardian 005348-0 - Page 24

Guardian 005348-0
32 pages
Print Icon
To Next Page IconTo Next Page
To Next Page IconTo Next Page
To Previous Page IconTo Previous Page
To Previous Page IconTo Previous Page
Loading...
22
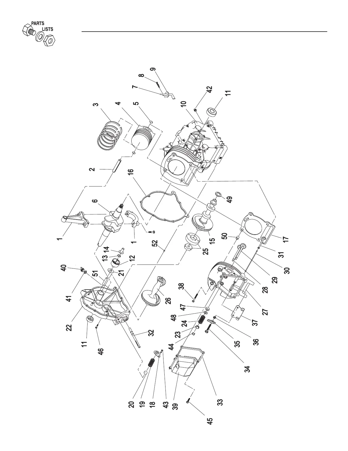
Section 6 — Exploded Views and Parts Lists
Engine – Drawing No. 0G5598-E - Part 1

Related product manuals