EasyManua.ls Logo

GYS GYSPack 810 - Circuit Diagrams; Circuit Diagram for GYSPACK 650; Circuit Diagram for GYSPACK 810

GYS GYSPack 810
Print Icon
To Previous Page IconTo Previous Page
To Previous Page IconTo Previous Page
Loading...
22
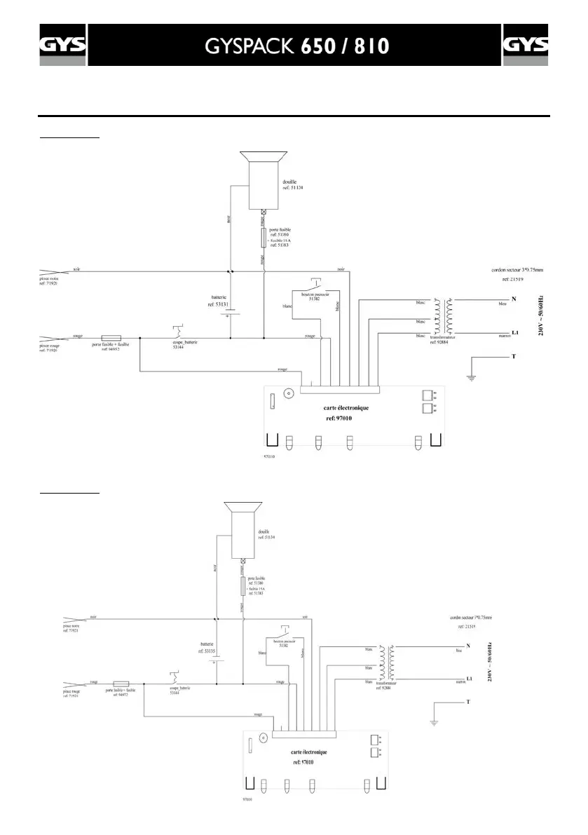
SCHÉMA ÉLECTRIQUE / CIRCUIT DIAGRAM / SCHALTPLAN / DIAGRAMA
ELECTRICO/ ЭЛЕКТРИЧЕСКАЯ СХЕМА / ELECTRISCHE SCHEMA / DIAGRAMMA DEL
CIRCUITO
GYSPACK 650
GYSPACK 810

Related product manuals