EasyManua.ls Logo

Haier 1U71S2SG1FA - Page 81

Haier 1U71S2SG1FA
257 pages
Print Icon
To Next Page IconTo Next Page
To Next Page IconTo Next Page
To Previous Page IconTo Previous Page
To Previous Page IconTo Previous Page
Loading...
78
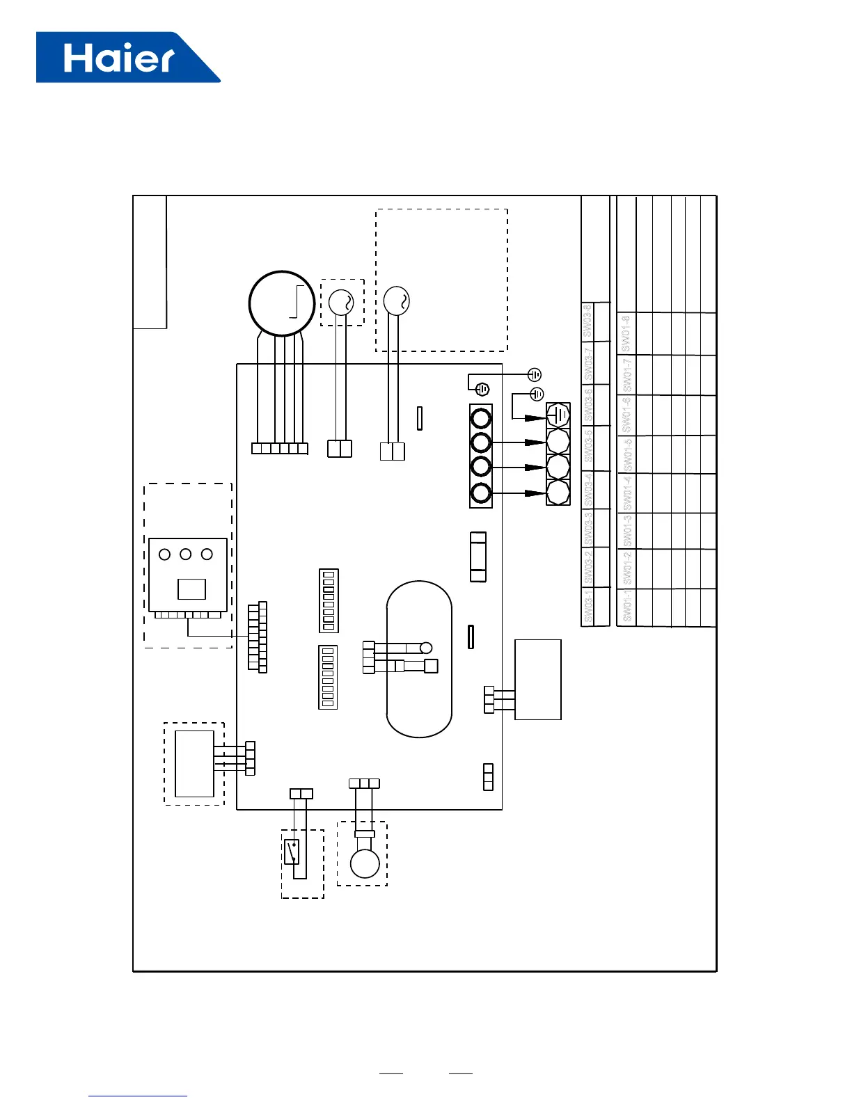
AD71S2SM3FA AD90S2SM3FA AD105S2SM3FA
2018.01.20
Y/G:YELLOW/GREEN
NOTE:
1.DASHED PARTS ARE OPTIONAL.
2.
USER SHOULD NOT SET SW01 AND
SW03 WITHOUT GUIDENCE.
3.WHEN ONE WIRED CONTROLLER CONTROL MULTIPLE INDOOR UNIT,
IT CAN CONNECT ANOTHER INDOOR UNIT BY CN22 OR CN22-1.
WHEN TWO WIRD CONTROLLERS CONTROL ONE INDOOR UNIT,
THE WIRED CONTROLLER NEED CONNECT WITH CN22 AND CN22-1.
TEMP.
SENSOR
ROOM
SENSOR
PIPING
TEMP.
ROOMCARD
ROTOM NAF CD
SW03
FUSE
WIRED
CONTROLLER
FLOAT
SWITCH
WIFI
MODULE
PUMP
TO OUT
DOOR UNIT
2
1
3
Y/G
M
12345678
ON
M
B A
C
B
A
C
OFF
0150527034K
2
1
3
N L S
B A
C
SW01
12345678
ON
OFF
FRESH AIR MOTOR
(SW01-6 select OFF) /
EXTERNAL ALARM OUTPUT
(SW01-6 select ON)
( Contact rating_230VAC,3A)
M
CN21
Heater_L
CH4
Heater_N
CH2
CN5
CN4
CN34
CN16
CH1
SW01-1
SW01-2
SW01-3
OFF
SW01-4
SW01-5
SW01-6
SW01-7
SW01-8
MODEL
OFF
AD105S2SM3/4FA
OFF
OFF
OFF
ON
ON
OFF
CN13
CN6
CN41
CN22
CN22-1
4.SW03-5
->SW03-08 ARE USED FOR
ADDRESS SETTING ON THE
SITUATION OF ONE WIRED CONTROLLER CONTROL MORE THAN
ONE INDOOR UNIT.
5.REFER TO SERVICE MANUL TO GET MUCH MORE DETAILS
ABOUT THE STATIC PRESSURE LEVEL SETTING.
CN1
AD50S2SM3/4FA
SW03-1 SW03-2 SW03-3 SW03-4 SW03-5 SW03-6 SW03-7
SW03-8
OFF OFF OFF OFF OFF OFF OFF
FOR ALL
DUCTED MODEL
OFF
OFF
OFF
OFF
OFF
ON
OFF
OFF
AD71S2SM3/4FA
AD90S2SM3/4FA
OFF
OFF
OFF
OFF
OFF
ON
ON
OFF
ON
OFF
OFF
OFF
OFF
ON
OFF
OFF
(WITHOUT
DIGITAL
DISPALY)
INFRARED
REMOTE
RECEIVER
AD35S2SM3/4FA
ON
ON
OFF
OFF
OFF
ON ON
ON
ON
Y/G