EasyManua.ls Logo

Haier 48D3500A - Page 25

Haier 48D3500A
47 pages
Print Icon
To Next Page IconTo Next Page
To Next Page IconTo Next Page
To Previous Page IconTo Previous Page
To Previous Page IconTo Previous Page
Loading...
-9-
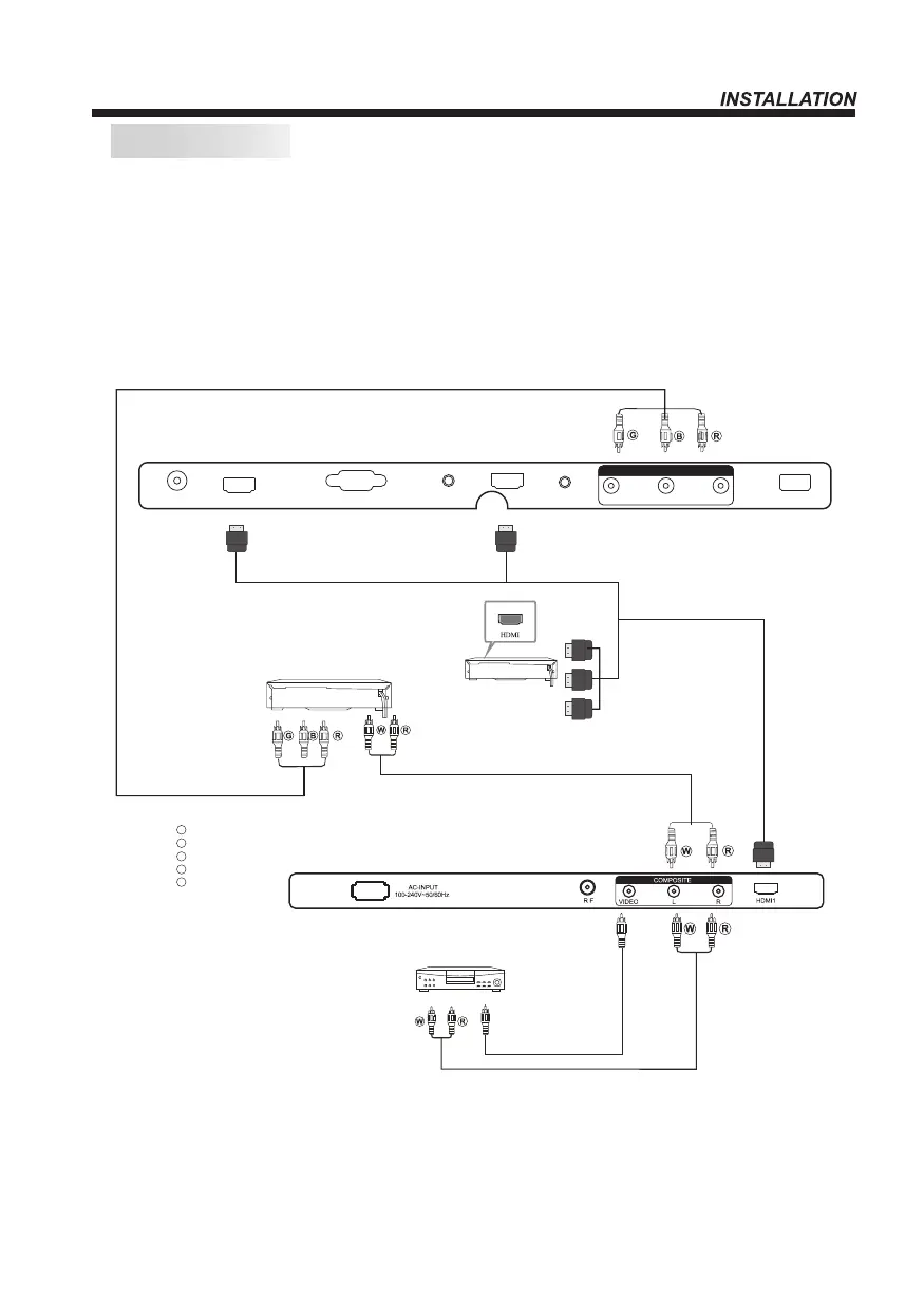
EQUIPEMENTS AUDIO/VIDÉO
Il y a trois ports HDMI à l'arrière de votre téléviseur. Ces ports permettent de connecter un lecteur
lecteur DVD ou autre appareil vidéo.
Une entrée vidéo composante (Y, Pb, Pr) et une composite (AV) se trouvent à l'arrière de votre
téléviseur. Ces entrées permettent de connecter un magnétoscope, décodeur ble ou autre appareil vidéo.
Voir le schéma ci-dessous. Vous pouvez également vous férer au manuel d'utilisation de l'appareil que
vous essayez de connecter.
Blu-ray,
Le port HDMI2 est compatible MHL. Vous pouvez connecter des appareils MHL, tels que clé et
téléphones portables et tablettes compatibles.
REMARQUE: un ble USB vers HDMI est nécessaire pour connecter un téléphone mobile ou une
tablette au téléviseur. S'il vous plaît la vérification de la documentation de votre appareil.
Les entrées du téléviseur peuvent être connectées aux équipements suivants: Magnétoscope,
lecteur multi disque, DVD, caméscope, console de jeu ou système stéréo, etc.....
YPbPr peut supporter les formats vio suivants: 480i, 576i, 480p, 576p, 720p, 1080i, 1080p.
Yellow (video)
White(audio L)
Red(audio R or Pr)
Y
W
R
Blue(Pb)
Green(Y)
B
G
TO AUDIO OUTPUTS
VIDEO EQUIPMENT
TO VIDEO
OUTPUTS
VIDEO EQUIPMENT with YPbPr
COAXIA L VGA PC AUDIO
HDMI3
HEADPH ONE
Y
Pb
Pr
USB
COMPON ENT
MHL
HDMI2

Related product manuals