EasyManua.ls Logo

Haier 48D3500A - Page 40

Haier 48D3500A
47 pages
Print Icon
To Next Page IconTo Next Page
To Next Page IconTo Next Page
To Previous Page IconTo Previous Page
To Previous Page IconTo Previous Page
Loading...
-9-
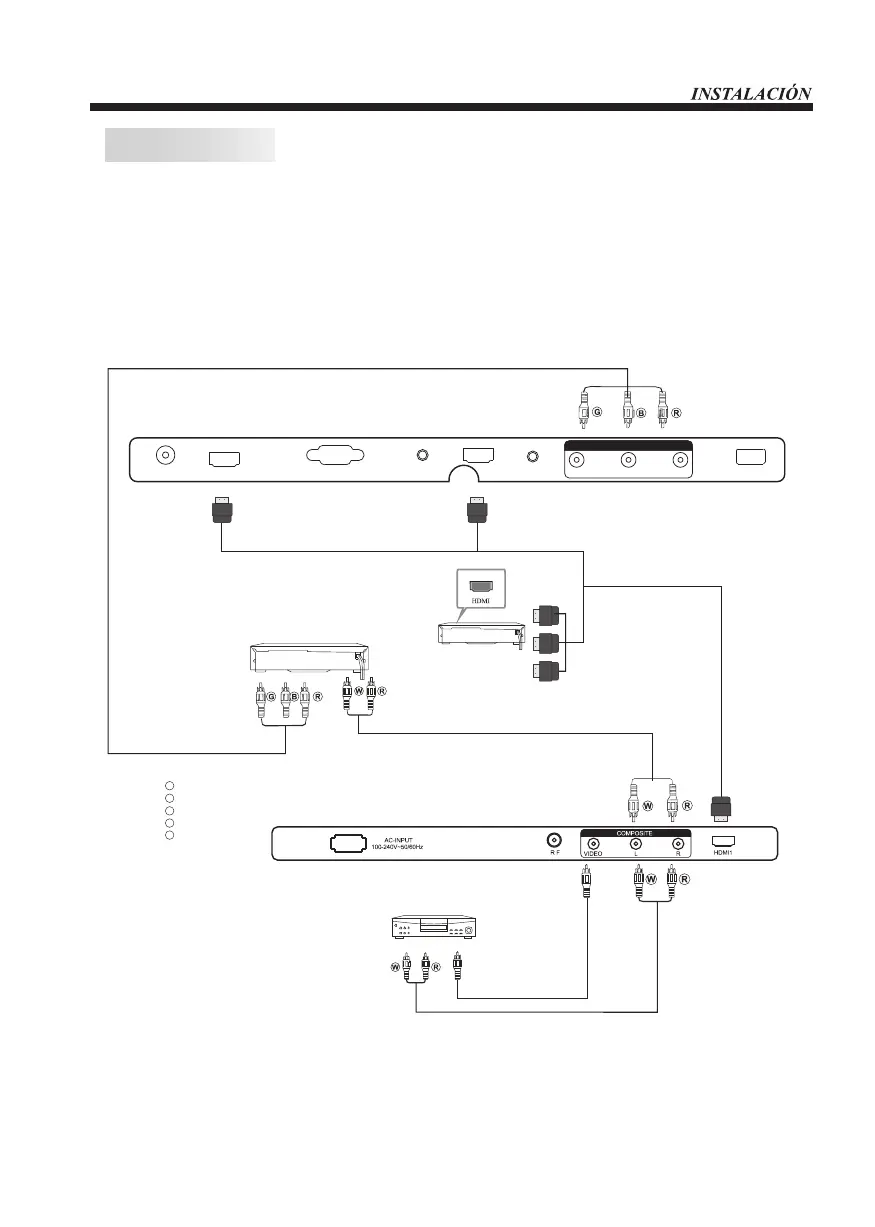
AV DEL EQUIPO
En la parte trasera del TV hay tres puertos HDMI. Puede conectar un Blu-ray, reproductor de DVD u
otro equipamiento de vídeo a través de estos puertos.
Hay una entrada Componente (Y, Pb, Pr) y otra de video compuesto (AV) ubicadas en la parte trasera del TV.
Puede conectar un VCR, decodificador de TV u otro equipamiento de vídeo a través de estos conectores.
Consulte el diagrama que aparece a continuación. Es posible que también tenga que consultar el manual del
propietario del dispositivo que esté tratando de conectar.
El puerto HDMI1 está habilitado para MHL. Puede conectar dispositivos MHL, tales como el teléfonos
móviles y tabletas compatibles.
NOTA: un USB al cable de HDMI es necesario conectar un teléfono móvil o tablet al televisor. Por favor,
la verificación de documentación de su dispositivo.
Las entradas del televisor pueden conectarse a los siguientes tipos de equipos: VCR, reproductor
multidiscos, DVD, cámara de video, juegos de video o sistemas estéreo, etc.
YPbPr puede soportar estos formatos de video: 480i, 576i, 480p, 576p, 720p, 1080i, 1080p.
Yellow (video)
White(audio L)
Red(audio R or Pr)
Y
W
R
Blue(Pb)
Green(Y)
B
G
TO AUDIO OUTPUTS
VIDEO EQUIPMENT
TO VIDEO
OUTPUTS
VIDEO EQUIPMENT with YPbPr
COAXIA L VGA PC AUDIO
HDMI3
HEADPH ONE
Y
Pb
Pr
USB
COMPON ENT
MHL
HDMI2

Related product manuals