EasyManua.ls Logo

Haier AB092XCERA - Page 89

Haier AB092XCERA
143 pages
Print Icon
To Next Page IconTo Next Page
To Next Page IconTo Next Page
To Previous Page IconTo Previous Page
To Previous Page IconTo Previous Page
Loading...
-
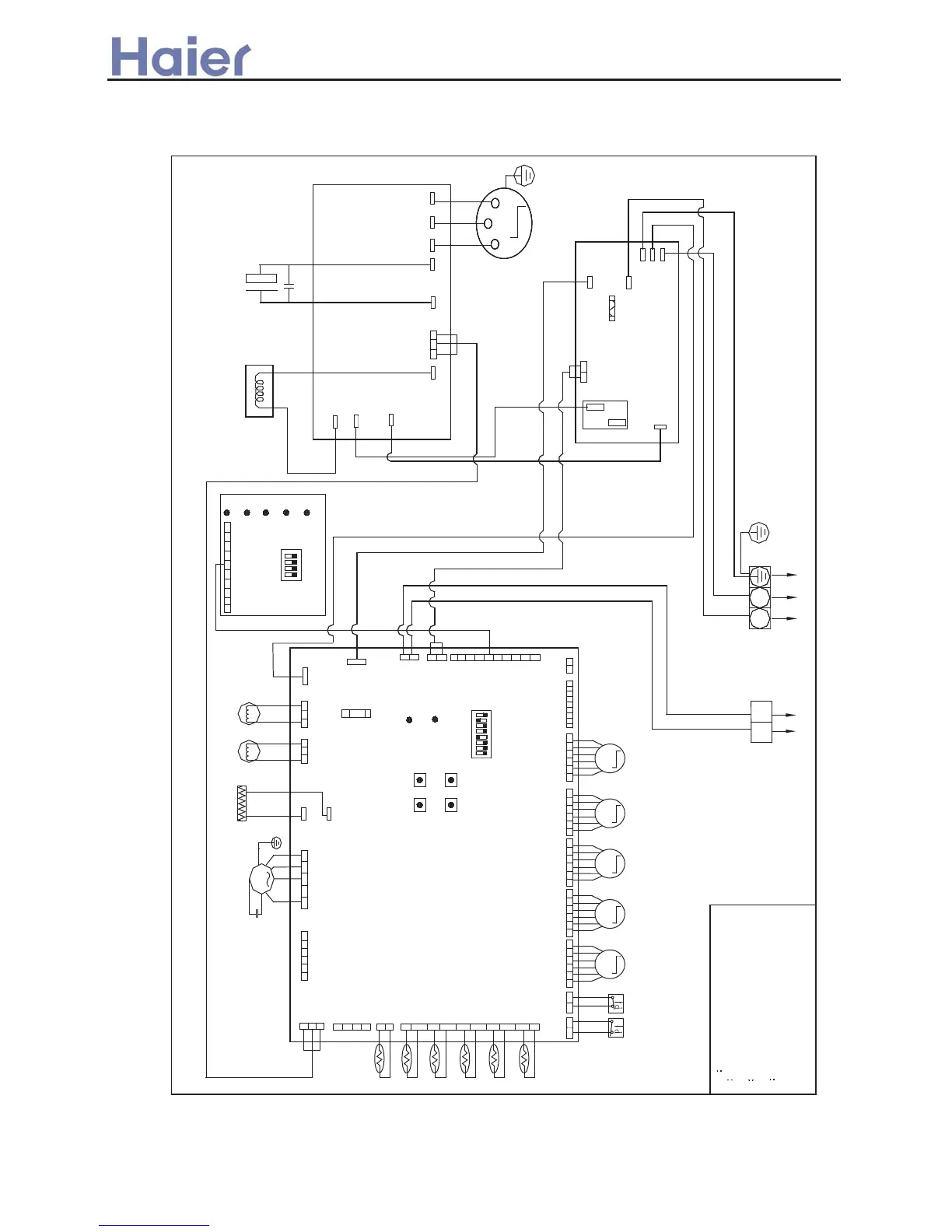
>_]]VbTZR\ <Zb >_^UZdZ_^Vb
N
L
CN18
TD
TE
TS
TA
TC
CN17 CN15
LED1
LED2
CN12
CN11
CRANKCASE
HEATER
CN10
CN9
4-WAY
VALVE
W
U
COMPRESSOR
V
CN1
Q
P
T25A 250VAC
FUSE
LED5
LED3
LED4
LED1
LED2
M
CN22
250VAC T3.15A
SW5
TD: COMPRESSOR VENT SENSOR
SW5
To Power Supply
CN26
FUSE1
TS: COMPRESSOR INHALE SENSOR
TC CONDENSING TEMPERATURE SENSOR
TE DEFROSTING TEMPERATURE SENSOR
TA AMBIENT TEMPERATURE SENSOR
TOCI
TOCI PIPING TEMPERATURE SENSOR
CN4
N L M
CN23
CN19
PMV_B
PMV_C
PMV_E
PMV_A
SV2
CN6
ON
1 2 3 4 56 7 8
PTC
BUS
L
CN8
N
ON
4321
SW3 SW4
SW2SW1
B : BLACK
R : RED
OR : ORANGE
W : WHITE
Y/G : YELLOW/GREEN
CN20
LPHP
CN21
CN24
H
CN3
CN5
CN14
CN13
CN1
CN2
CN7
LED
DEBUG_LED
4WV
CN2
CN5
CONTROL
CIRCUIT
BOARD
CN4
CN3
CN8
CN7
CIRCUIT
BOARD
POWER
U V W
R
T/RB
S
P1
N(-)
P(+)
+-
ISPM
Y/G
ORBL
BL : BLUE
capacitor
reactor
TO ISPM
communication terminal
VALVE
UNLOAD
BR R
B
W
CN206
BR:BROWN
capacitor
M
AC FAN MOTOR
B
W
R W B
B
W
M M M
CN16
PMV_D
M
AU362XHERA
89-

Related product manuals