EasyManua.ls Logo

Haier AD182AMEAA - Page 14

Haier AD182AMEAA
146 pages
To Next Page IconTo Next Page
To Next Page IconTo Next Page
To Previous Page IconTo Previous Page
To Previous Page IconTo Previous Page
Loading...
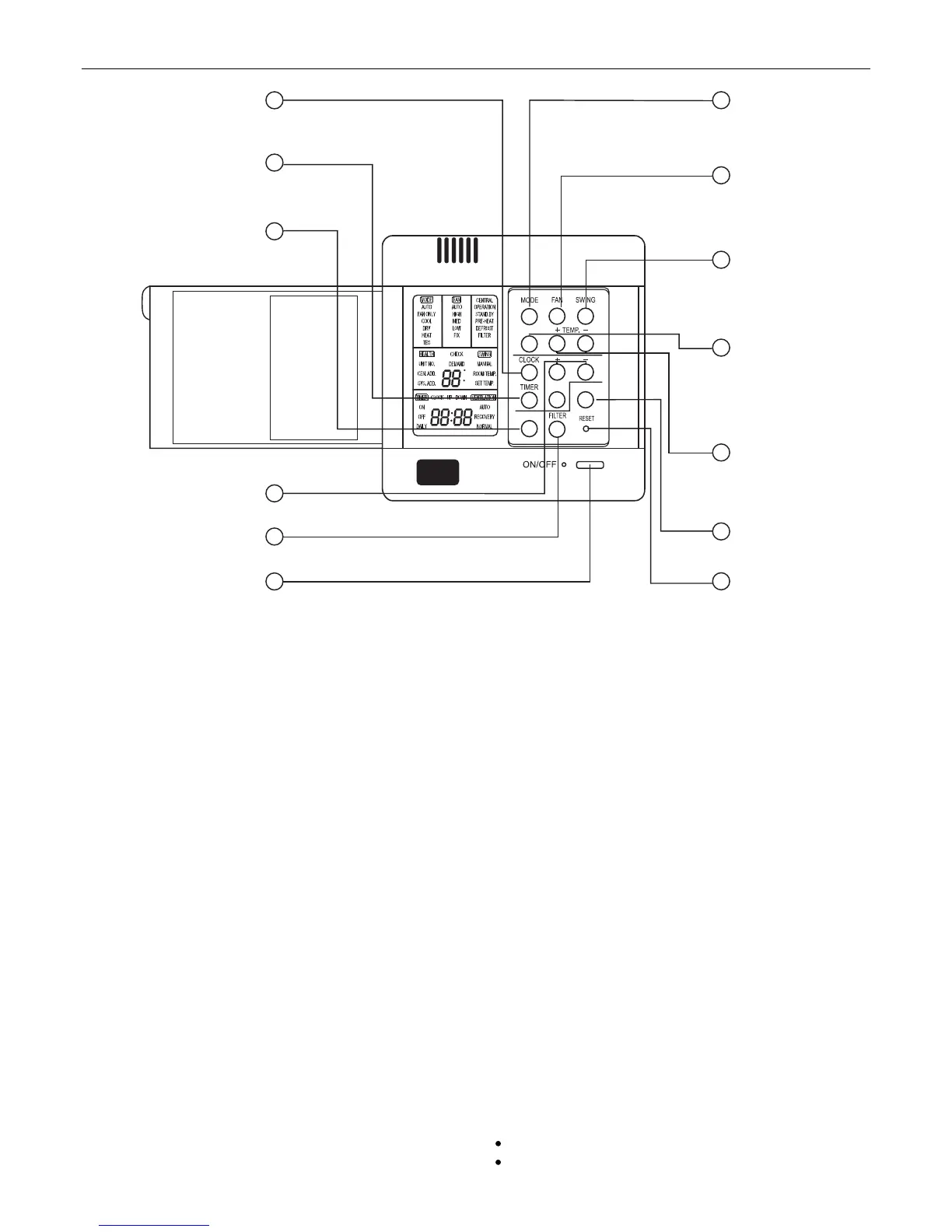
1.CLOCK button
Used to adjust time.
2.TIMER button
Used to set timer mode.
4.+ and - button
Stands for time plus/minus, used to adjust time.
6.POWER ON/OFF button
Used for unit to start and stop.
7.MODE button
Used to select indoor operation mode.
8.FAN button
Used to select indoor air flow.
10.HEALTH button
Used for setting indoor health function.
11.TEMP + and - button
Used for changing set temperature.
12.RECOVERY button
used to switch over air-exchanging mode.
9.SWING button
Used for setting indoor swing mode.
5.FILTER button
Filter-cleaned button.
13.RESET button
Reset correct mode button.
3.CHECK button
Auto-diagnostic button.
Note:
The above information is the explanation of the displayed
information. Therefore it varies with those displayed in
actual operation.
8
Parts and Functions
On cooling only unit, heating mode is not available.
The functions 5,9,10 are not available for these units.
Cautions:
HEALTH
SET RECOVERY
CHECK
F
C
1
2
4
5
6
3
7
8
9
10
11
12
13

Other manuals for Haier AD182AMEAA

Related product manuals