EasyManua.ls Logo

Handicare SIMPLICITY - Page 108

Handicare SIMPLICITY
232 pages
Print Icon
To Next Page IconTo Next Page
To Next Page IconTo Next Page
To Previous Page IconTo Previous Page
To Previous Page IconTo Previous Page
Loading...
108 HANDICARE SIMPLICITY
INSTALLATIONSANLEITUNG
CHASSIS OBERE SICHERHEITSKANTE
FUSSAUFLAGE
FRONTCHASSIS SICHERHEITSKANTE
CHASSIS UNTERE SICHERHEITSKANTE
UNTERER ENDSCHALTER
OBERER ENDSCHALTER
STECKER SITZ
ZU CHASSIS
OSG
SCHIENEN-
ÜBERLAUF
F
F
FM
SCHLÜSSEL
M
F
M
F
M
STECKER SITZ
ZU CHASSIS
BATTERIE-PAKET
ABKLEMMEN
BATTERIE-
TRENNSCHALTER
MOTOR
FUSSAUFLAGE
SCHARNIER/PLATTFORM
KOMMUNIKATIONSDATEN
ANSCHLUSS
ANSCHLUSS
ANGETRIEBENER
DREHSITZ
(NUR ANGETRIEBENE
OPTIONEN)
ALLE SICHERHEITSSCHALTKREISE MÜSSEN
NORMALERWEISE GESCHLOSSEN SEIN.
FUNKTION DER DIP-SCHALTER
AUF SMT-PLATINE
STIFTLEISTE
STECKVERBINDUNG
BREMSE
33V AUFLADEN POSITIV EINGANGSSP
ANNUNG
AUFLADEN NEGATIV DURCH CHASSIS
UNTERKANTE
UNTERW
ANNE
OBERKANT
E
FUSSAUFLAGE
UNTERKANTE
UNTERW
ANNE
FUSSAUFLAGE
OBERKANT
E
SW2
SW3
SW4
SW5
SW6
SW7
SW8
SW9
SW1
SW10
SW11
SW12
9-WEG-ANSCHLUSS
8-WEG-ANSCHLUSS
5A
DIAGNOSEANZEIGE
ABGESCHIRMTES KABEL
3-WEG-
ANSCHLUSS
ROT
AUFLADEN
BR
BR2
BR1
BR
BATT
BATT
BATT
BATT
BATT
BATT
BATT
MOTOR
MOTOR
WEISS
SCHWARZ
M+
M-
SCHWARZ
SCHWARZ
ROT
+
+
+
-
+
+
-
-
-
-
M2
AUTO. FUSSAUFLAGE
SCHARNIERDATEN
ABGESICHERTES
SCHARNIER
AV AUSGANG +
AV AUSGANG -
ANS-3
ANS-3
ANS-3
ANS-3
ANS-3
ANS-3
ANS-3
ANS-2
ANS-2
ANS-2
ANS-1
ANS-1
ANS-1
M1
DIAGNOSE
IR 2
IR 1
GRÜN
RICHTUNG RUNTER
BLAU
HEBEL GEMEIN
ORANGE
RICHTUNG HOCH
BRAUN
CHASSIS OBERE SICHERHEITSKANTE
GRAU
SICHERHEITSKANTE GEMEIN
VIOLETT
VIOLETT
VIOLETTVIOLETT
VIOLETT
4
5
6
3
2
1
3
2
1
2
1
2
1
2
1
2
1
2
1
2
1
4
5
6
2
1
2
3
1
1
2
3
2
1
4
5
6
4
5
6
3
2
1
VIOLETT
VIOLETT
GRAU
VIOLETTER
KABELBAUM
VIOLETTER KABELBAUM
GRAU
BRAUN
BRAUN BRAUN
KABELVERBINDUNG
SIEHE RECHTS-SCHALTKREIS
BRAUN
BRAUN
BRAUN
ROT
ROT
BRAUN
KABELVERBINDUNG
SIEHE RECHTS-SCHALTKREIS
VIOLETT
VIOLETT
VIOLETT
BRAUN
BRAUN
VIOLETT
ORANGE
ORANGE
CHASSIS UNTERE SICHERHEITSKANTE
UNTERER ENDSCHALTER
UNTERER ENDSCHALTER
OBERER ENDSCHALTER
OBERER ENDSCHALTER
ENDAUSSCHALTER
FLACH- FLACH-
WEISS
WEISS
RUND-
GELBE
MARKIERUNG
GELBE
MARKIERUNG
BLAUE
MARKIERUNG
ROTE
MARKIERUNG
BLAU
SCHWARZ
BLAUE
MARKIERUNG
ROTE
MARKIERUNG
11
11
1
1
1
2
3
4
3
2
1
12
1
2
1
2
1
2
1
1
2
1
2
1
2
SCHWARZ
SCHWARZ
BLAU
BLAU
WEISS
WEISS
9
8
7
6
5
4
3
2
1
8
7
6
5
4
3
2
1
1
2
1
2
2
1
GELB
GRAU
GESCHLOSSENER
KABELSCHUH
RUND-
SW13
20A
3
2
1
4
5
6
3214
EIN
EIN
DIP-SCHALTER 1
VERSCHIEBEN
AKTIVIEREN
KLINGELN AKTIVIEREN
PLATTFORM AKTIVIEREN
VERSCHIEBEN
DEAKTIVIEREN
VORGABE AUS
KLINGELN DEAKTIVIEREN
PLATFORM DISABLE
SCHNELLES
HOCHLAUFEN
UNBENUTZT
VORGABE AUS
VORGABE AUS
LANGSAMES
HOCHLAUFEN
UNBENUTZT
DIP-SCHALTER 2
3214
3
2
1
11
4
5
6
NOT-AUS-KNOPF/SCHLÜSSEL ZU ERKENNENGELB/SCHWARZ STREIFEN
24VDC
ROT
SCHWARZ
NOT-AUS-KNOPF
ENTDECKEN
SCHWARZ/WEISS
STREIFEN
SWITCHED 0V
INFRAROT-SENSOREN 2
INFRAROT-SENSOREN 1
AUFLADEN
1
2
3
1
2
3
1A
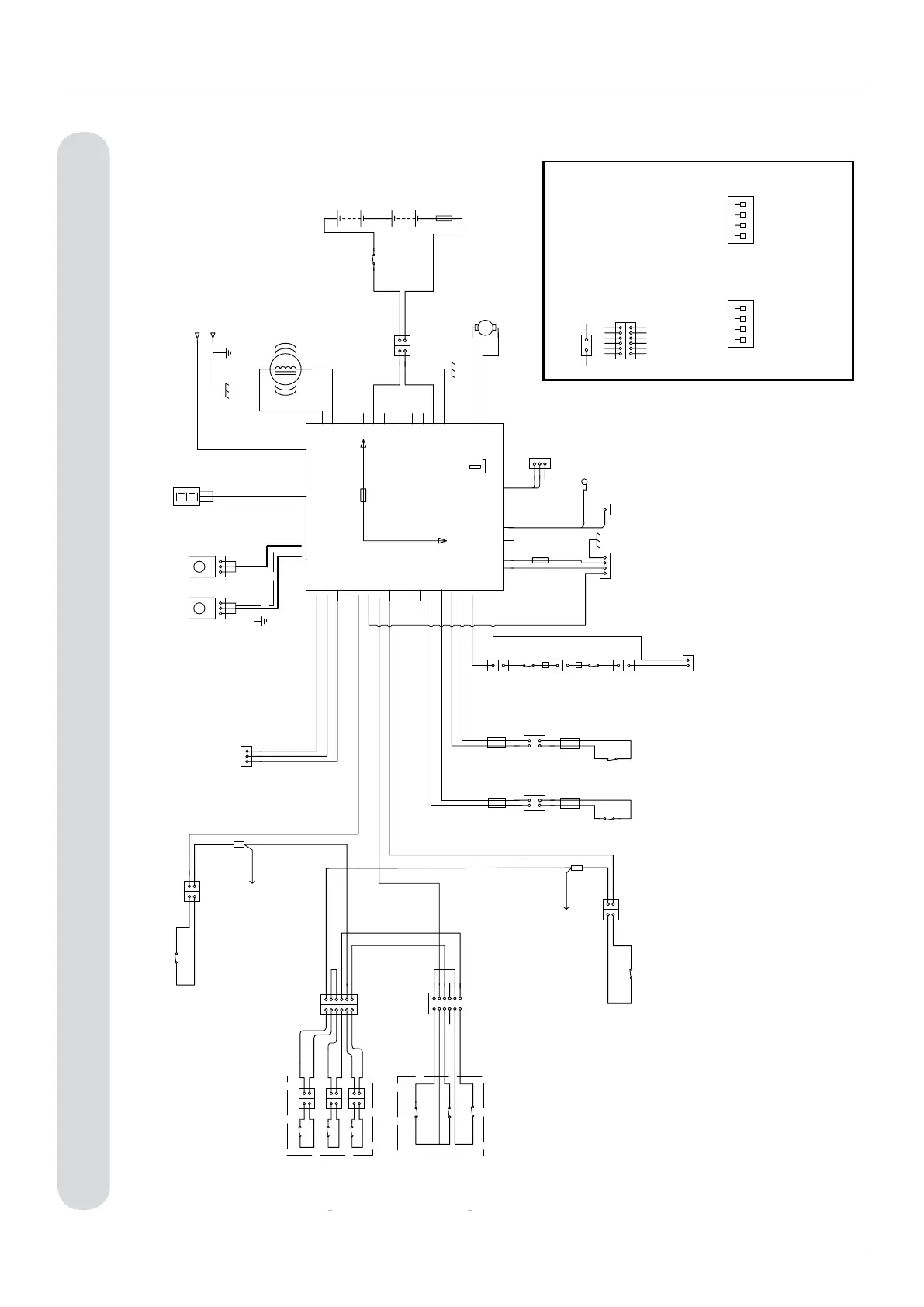
Anhang 4
Simplicity Blockschaltplan – Linkslift - MS125

Related product manuals