EasyManua.ls Logo

Handicare SIMPLICITY - Page 146

Handicare SIMPLICITY
232 pages
Print Icon
To Next Page IconTo Next Page
To Next Page IconTo Next Page
To Previous Page IconTo Previous Page
To Previous Page IconTo Previous Page
Loading...
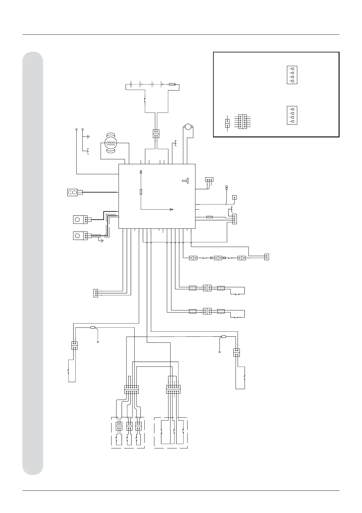
146 MANUEL D’INSTALLATION DU MONTE-ESCALIER HANDICARE SIMPLICITY
BORD SECURITE SUPERIEUR CHASSIS
REPOSE-PIEDS
BORD SECURITE CHASSIS AVANT
BORD SECURITE INFERIEURE CHASSIS
LIMITE INF.
LIMITE SUP.
CONNECTEUR SIEGE –
BLOC ALIMENTATION
REGULATEUR
DE VITESSE
PROLONGATION
DU RAIL
F
F
FM
CLÉ
M
F
M
F
M
CONNECTEUR SIEGE –
BLOC ALIMENTATION
DECONNEXION
GROUPE BATTERIE
ISOLEMENT
BATTERIE
MOTEUR
REPOSE-PIEDS
CONTACT DE DONNEES
DE COMMUNICATIONS
DE LA PLATEFORME
ESCAMOTABLE
CONNEXION PIVOTEMENT
ELECTRIQUE
(OPTIONS ELECTRIQUE UNIQUEMENT)
TOUS LES CIRCUITS DE SECURITE DEVRAIENT
NORMALEMENT ÊTRE FERMES
FONCTION DES MINI INTERRUPTEURS
SUR LA CARTE SMT
CONNECTEUR MULTI BROCHES
CONNECTEUR A COSSE
FREIN
33V TENSION ENTRÉE DE CHARGE POSITIVE
CHARGE NEGATIVE A TRAVERS LE CHASSIS
BORD
INFERIEUR
DESSOUS
BORD
SUPERIEUR
REPOSE-PIEDS
BORD INFERIEUR
DESSOUS
REPOSE-PIEDS
BORD SUPERIEUR
SW2
SW3
SW4
SW5
SW6
SW7
SW8
SW9
SW1
SW10
SW11
SW12
CONNECTEUR 9 VOIES
CONNECTEUR 8 VOIES
5A
ECRAN DE
DIAGNOSTIC
CABLE GAINE
ROUGE
CHRG
FR
FR2
FR1
FR
BATT
BATT
BATT
BATT
BATT
BATT
BATT
MOTEUR
MOTEUR
BLANC
NOIR
M+
M-
NOIR
NOIR
ROUGE
+
+
+
-
+
+
-
-
-
-
M2
REPOSE-PIEDS AUTOMATIQUE
DONNEES D’ARTICULATION
ARTICULATION
AVEC FUSIBLE
AV SORTIE +
AV SORTIE -
CON-3
CON-3
CON-3
CON-3
CON-3
CON-3
CON-3
CON-2
CON-2
CON-2
CON-1
CON-1
CON-1
M1
DIAG
IR 2
IR 1
VERT
DIRECTION DESCENTE
BLEU
MANETTE COMMUNE
ORANGE
DIRECTION MONTEE
MARRON
BORD SECURITE SUP. CHASSIS
GRIS
BORD SECURITE – COMMUN
VIOLET
VIOLET
VIOLETVIOLET
VIOLET
4
5
6
3
2
1
3
2
1
2
1
2
1
2
1
2
1
2
1
2
1
4
5
6
2
1
2
3
1
1
2
3
2
1
4
5
6
4
5
6
3
2
1
VIOLET
VIOLET
GRIS
BOUCLE
VIOLETTE
BOUCLE VIOLETTE
GRIS
MARRON
MARRONMARRON
LIAISON
CABLE
VOIR CIRCUIT
MAIN DROITE
MARRON
MARRON
MARRON
ROUGE
ROUGE
MARRON
LIAISON
CABLE
VOIR CIRCUIT
MAIN DROITE
VIOLET
VIOLET
VIOLET
MARRON
MARRON
VIOLET
ORANGE
ORANGE
BORD SECURITE INF. CHASSIS
LIMITE INFERIEURE
LIMITE INFERIEURE
LIMITE SUPERIEURE
LIMITE SUPERIEURE
LIMITE FINALE
FOURCHE
FOURCHE
BLANC
BLANC
PUCE
ETIQUETTE
JAUNE
ETIQUETTE
BLEU
ETIQUETTE
ROUGE
BLEU
NOIR
ETIQUETTE
BLEU
ETIQUETTE
ROUGE
11
11
1
1
1
2
3
4
3
2
1
12
1
2
1
2
1
2
1
1
2
1
2
1
2
NOIR
NOIR
BLUE
BLUE
BLANC
BLANC
9
8
7
6
5
4
3
2
1
8
7
6
5
4
3
2
1
1
2
1
2
2
1
JAUNE
GRIS
CONNECTEUR
COSSE A ANNEAU
PUCE
SW13
20A
3
2
1
4
5
6
3214
MARCHE
MARCHE
DIP 1
RAIL A GLISSIERE ACTIVE
PING ACTIVE
PLATEFORME ACTIVEE
RAIL A GLISSIERE DESACTIVE
DEFAULT OFF
PING DESACTIVE
PLATEFORME DESACTIVEE
RAMPE RAPIDE
NON UTILISE
ARRET PAR DEFAUT
ARRET PAR DEFAUT
RAMPE LENTE
NON UTILISE
DIP 2
3214
3
2
1
11
4
5
6
ARRET D’URGENCE & DÉTECTER LES CLÉS JAUNE/NOIR RAYÉ
24VDC
ROUGE
NOIR
ARRET D’URGENCE
DÉTECTER
NOIR/BLANC RAYÉ COMMUTÉS 0V
CHARGE
1
2
3
1
2
3
1A
CONNECTEUR
3 VOIES
DETECTEUR
INFRAROUGE 1
DETECTEUR
INFRAROUGE 2
Appendice 4
Simplicity Schéma synoptique – Monte-escalier main gauche – MS125

Related product manuals