EasyManua.ls Logo

Handicare SIMPLICITY - Page 70

Handicare SIMPLICITY
232 pages
Print Icon
To Next Page IconTo Next Page
To Next Page IconTo Next Page
To Previous Page IconTo Previous Page
To Previous Page IconTo Previous Page
Loading...
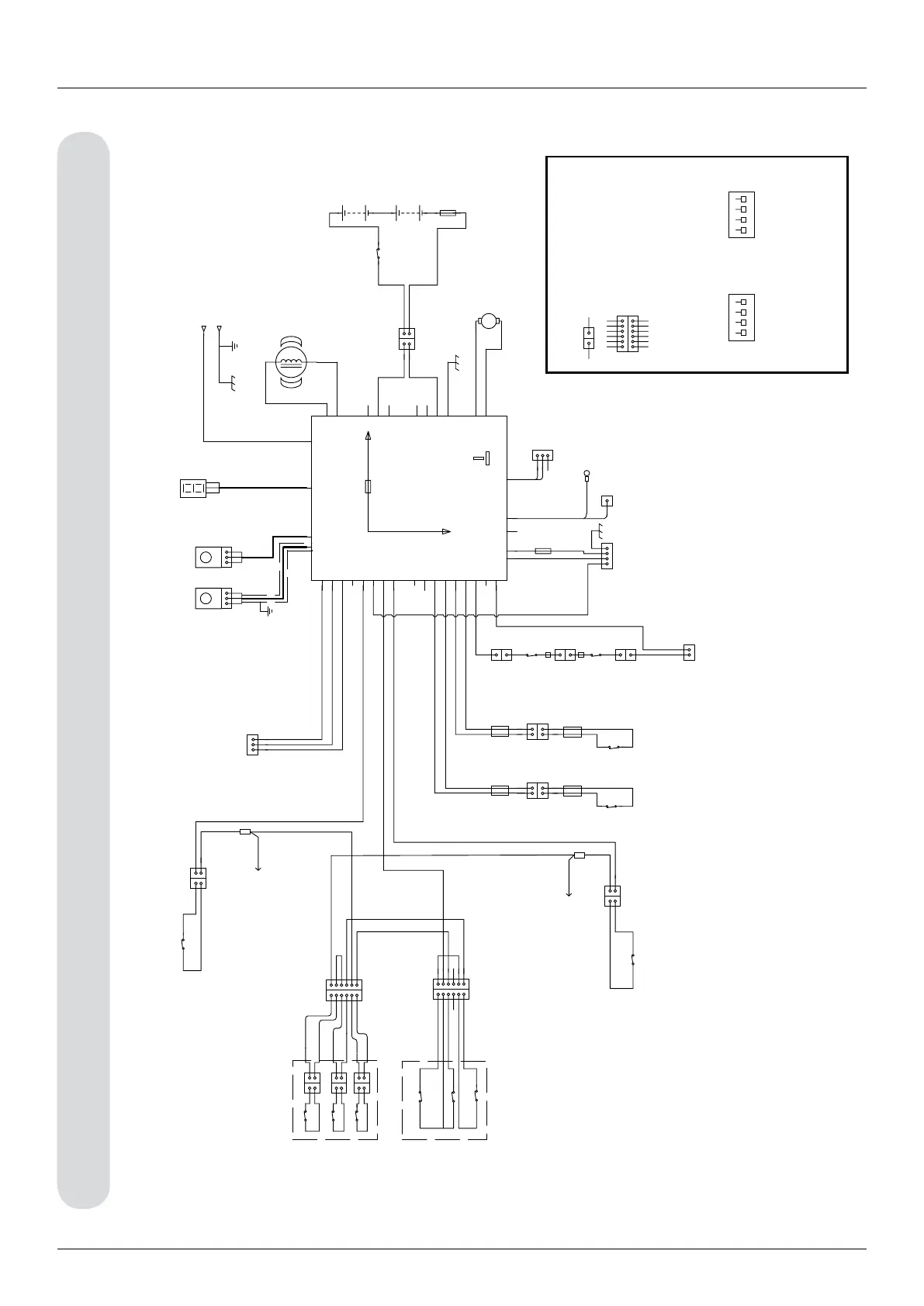
70 INSTALLATIEHANDLEIDING HANDICARE SIMPLICITY
Bijlage 4
Blokschema – links geplaatste traplift MS125
FRAME BOVENSTE
VEILIGHEIDSRAND
VOETENSTEUN
FRAME VOORZIJDE
VEILIGHEIDSRAND
FRAME OND. VEILIGHEIDSRAND
RAIL ONDERBEGRENZING
RAIL BOVENBEGRENZING
CONNECTOREN STOEL
NAAR VOEDINGSEENHEID
OSG
RAIL
UITLOOP
F
F
FM
INSTELLINGEN
M
F
M
F
M
CONNECTOR
ZITTING NAAR FRAME
ACCUPAKKET
ONTKOPPELEN
ACCU-ISOLATIE
MOTOR
VOETENSTEUN
OPKLAPRAIL/
PLATFORM GEGEVENS
COMMUNICATIEKABEL
CONTACT
AANSLUITING
AUTOMATISCHE
DRAAIFUNCTIE
(ALLEEN
AUTOMATISCHE FUNCTIES)
ALLE VEILIGHEIDSCIRCUITS MOETEN
NORMAAL ZIJN GESLOTEN
FUNCTIE VAN DIP-SCHAKELAARS
OP PRINTPLAAT SMT
VEELPOLIGE CONNECTOR
INSTEEKCONNECTOR
REM
33V LADEN POSITIEVE INGANGSSPANNING
LADEN NEGATIEF VIA FRAME
ONDERSTE
RAND
ONDERPLAAT
BOVENRAND
VOETENSTEUN
ONDERSTE RAND
ONDERPLAAT
VOETENSTEUN
BOVENRAND
SW2
SW3
SW4
SW5
SW6
SW7
SW8
SW9
SW1
SW10
SW11
SW12
9-WEG CONNECTOR
8-WEG CONNECTOR
5A
DIAGNOSTISCH
DISPLAY
AFGESCHERMDE KABEL
3-WEG
CONN
ROOD
LADEN
REM
REM2
REM1
REM
ACCU
ACCU
ACCU
ACCU
ACCU
ACCU
ACCU
MOTOR
MOTOR
WIT
ZWART
M+
M-
ZWART
ZWART
ROOD
+
+
+
-
+
+
-
-
-
-
M2
AUTOMATISCHE
VOETENSTEUN
GEGEVENS OPKLAPRAIL
GEZEKERD
OPKLAPRAIL
AV UITGANG +
AV UITGANG -
CON-3
CON-3
CON-3
CON-3
CON-3
CON-3
CON-3
CON-2
CON-2
CON-2
CON-1
CON-1
CON-1
M1
DIAG
IR 2
IR 1
GROEN
OMLAAG
BLAUW
SPANNINGSVOERENDE BEDIENINGSHENDEL
ORANJE
OMHOOG
BRUIN
FRAME BOVENSTE VEILIGHEIDSRAND
GRIJS
SPANNINGSVOERENDE VEILIGHEIDSRAND
PAARS
PAARS
PAARSPA ARS
PAARS
4
5
6
3
2
1
3
2
1
2
1
2
1
2
1
2
1
2
1
2
1
4
5
6
2
1
2
3
1
1
2
3
2
1
4
5
6
4
5
6
3
2
1
PAARS
PAARS
GRIJS
PAARS
LUS
PAARS LUS
GRIJS
BRUIN
BRUIN
BRUIN
KABEL
RAILVERBINDING
ZIE RECHTS
GEPLAATST CIRCUIT
BRUIN
BRUIN
BRUIN
ROOD
ROOD
BRUIN
KABEL
RAILVERBINDING
ZIE RECHTS
GEPLAATST CIRCUIT
PAARS
PAARS
PAARS
BRUIN
BRUIN
PAARS
ORANJE
ORANJE
FRAME OND. VEILIGHEIDSRAND
OND.BEGRENZING
OND.BEGRENZING
BOVENBEGRENZING
BOVENBEGRENZING
EINDBEGRENZING
VORKKABELSCHOEN
VORKKABELSCHOEN
WIT
WIT
KOGEL
GEEL LABEL
BLAUW
LABEL
ROOD
LABEL
BLAUW
ZWART
BLAUW
LABEL
ROOD
LABEL
GEEL LABEL
11
11
1
1
1
2
3
4
3
2
1
12
1
2
1
2
1
2
1
1
2
1
2
1
2
ZWART
ZWART
BLAUW
BLAUW
WIT
WIT
9
8
7
6
5
4
3
2
1
8
7
6
5
4
3
2
1
1
2
1
2
2
1
GEEL
GRIJS
RING EIND-
CONNECTOR
KOGEL
SW13
20A
3
2
1
4
5
6
3214
ON
ON
DIP 1
SCHUIFRAIL
PING MOGELIJK
PLATEAU MOGELIJK
ZONDER SCHUIFRAIL
STANDAARD UIT
PING NIET MOGELIJK
PLATEAU NIET MOGELIJK
SNEL
NIET GEBRUIKT
STANDAARD UIT
STANDAARD UIT
LANGZAAM
NIET GEBRUIKT
DIP 2
3214
3
2
1
11
4
5
6
NOODSTOP/SLEUTEL DETECTEREN
GEEL/ZWART STREEP
24VDC
ROOD
ZWART
NOODSTOP
DETECTEREN
ZWART/WIT STREEP SWITCHED 0V
INFRAROODSENSOREN 1
INFRAROODSENSOREN 2
LADEN
1
2
3
1
2
3
1A

Related product manuals