EasyManua.ls Logo

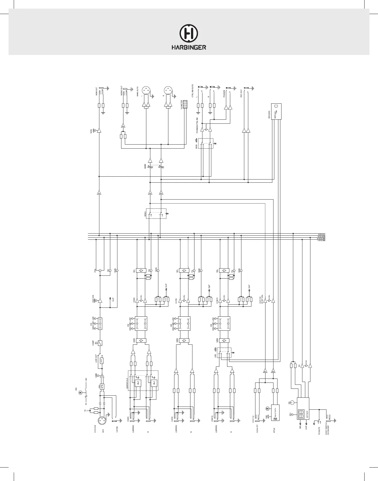
Harbinger LX12 - LX12 Block Diagram

Harbinger LX12
23 pages
Print Icon
To Next Page IconTo Next Page
To Next Page IconTo Next Page
To Previous Page IconTo Previous Page
To Previous Page IconTo Previous Page
Loading...
LX8 & LX12 OWNERS MANUAL
18
LX12 BLOCK DIAGRAM

Related product manuals