EasyManua.ls Logo

Harbor Freight Tools 40939 - Electrical Wiring and Safety; Power Supply and Plug Requirements; Wiring Diagram and Key; Professional Installation Advisory

Harbor Freight Tools 40939
12 pages
Print Icon
To Next Page IconTo Next Page
To Next Page IconTo Next Page
To Previous Page IconTo Previous Page
To Previous Page IconTo Previous Page
Loading...
Item 40939 For technical questions, please call 1-888-866-5797. Page 6
ELECTRICAL WIRING
NOTE: This machine is designed to operate on 220 Volt / 60 Hz / Single Phase power
supply only. This machine is not supplied with a plug. This is because the correct
plug will vary depending on the local service.
1. The power supply cable enters the Base Column (#74) on the right side. Electrical
connections
are made within the Terminal Box (#141). This can be accessed by
removing the Back Plate (#134).
WARNING: Do not attempt to wire this machine yourself. Contact a qualified electrician
to install the correct plug, and test your power supply to assure that this machine
can be operated safely.
2. The Switch Box (#115) is located on the left side of the column. This box provides
an On/Off switch for machine operation. An Accessory Light (#117) is provided on
the left side of the machine.
NOTICE: 220 Volt systems deliver highly energetic electricity which is capable
of causing lethal injury. Do not operate this machine without first obtaining
professional installation and safety inspection to prevent operator injury.
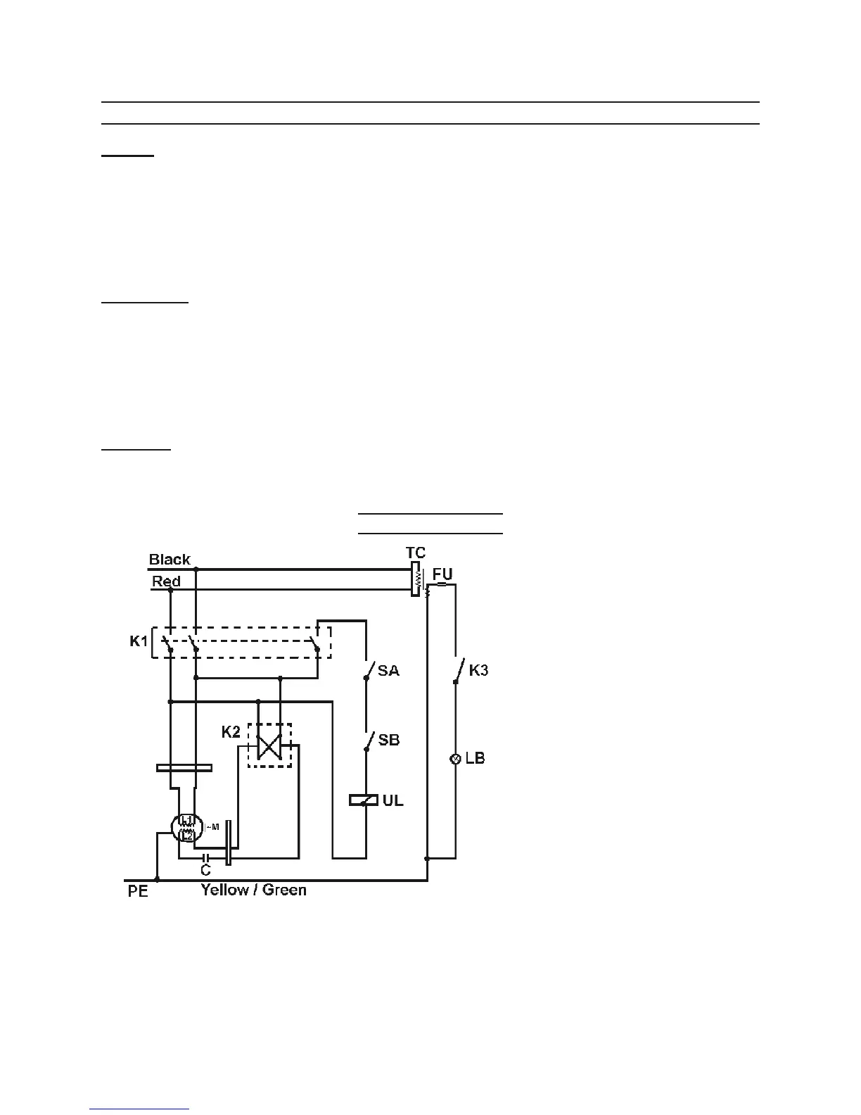
Wiring Diagram
WIRING DIAGRAM KEY
K1: Electric Power Switch
K2: Spindle Rotation Switch
K3: Light Switch
SA, SB: Safety Switches
UL: Switch Coil
L1, L2: Motor
C: Capacitor
TC: Transformer
FU: Fuse
LB: Light Bulb

Related product manuals