EasyManua.ls Logo

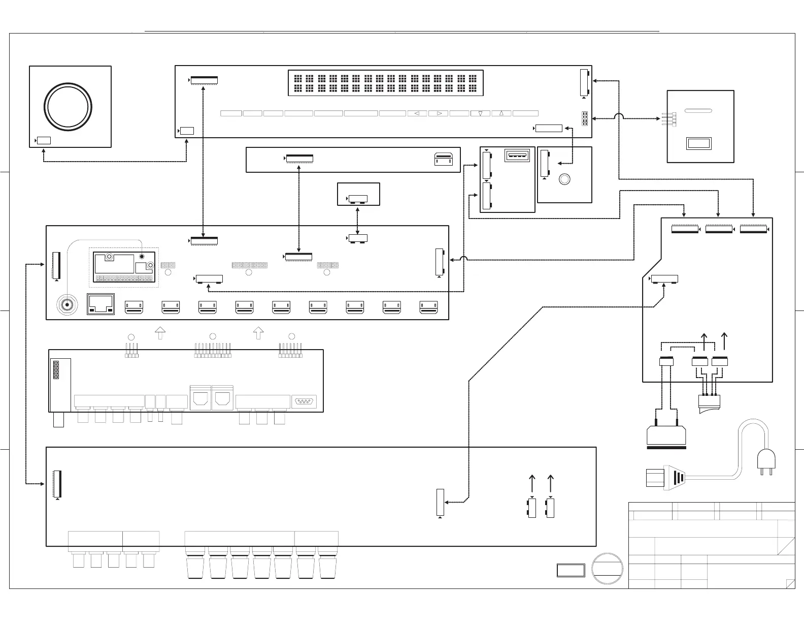
Harman Kardon AVR 2700 - WIRING DIAGRAM

Harman Kardon AVR 2700
158 pages
Print Icon
To Previous Page IconTo Previous Page
To Previous Page IconTo Previous Page
Loading...

,668(
$1$0
08/7,/$%
03

5--DFN
781(502'8/(
$QDORJ
=21(287
5(&287 $QDORJ,1
%
'
&
%
$
&
'
$
$33529(&+(&.'(6,*1 '5$:,1*12
:,5,1*
02'(/
$95
6+((7
:,5,1*',$*5$0
5(9,6,21
$95:LULQJ'LDJUDP
$95:&0=
67$1'%<21
-XQJ:-

/HH-+ <DQJ:<


9)'
/('
)52173&%
11
)5217+'0,3&%
60363&%
/1
$&,1/(7
DF443Y573Y
2. 6RXUFH/LVW
%DFN([LW
6XUURXQG0RGHV
9LGHR0RGHV
$XGLR(IIHFWV5HVROXWLRQ,QIR
6HWXS
+3%'
9ROXPH%'
,1387+'0,3&%
$033&%
7KH/RZHVW
7KH7RS

%'WR%'
5; 5;
56
-$&.3&%
%RWWRPRI+'0,3&%
%'WR%'
$
6ZLWFK
86%-DFN
)URQW+'0,
5HPRWH
6SHDNHU2XW 6SHDNHU2XW
35(287 35(287
7ULJJHU
,Q2XW ,Q2XW
86%3&%
&RPSRQHQW
+'0,287+'0,287
+'0,,1+'0,,1+'0,,1+'0,,1+'0,,1+'0,,1+'0,,1
&1
//
&1
6:
6:
&RD[LDO
9LGHR 0RQLWRU2XW
%&20RGXOH

:)
))&&DEOH3PP

:)

:)
))&&DEOH3PP

&1
))&&DEOH3PP

&1
7(03%'
3PP
&1
%'WR%'
%
%'WR%'
&
$
%&
&1
&1
+6)$1
5($5)$1
%1
3PP
3PP
3PP
&1
&1%1%1
&1
&1
&1
&1
%1
3PP
%1
%1
3PP
3PP
3PP
&1
%1
$9521/<
AVR 2700 harman/kardon
158

Other manuals for Harman Kardon AVR 2700

Related product manuals