EasyManua.ls Logo

Harman dbx DDP - Signal Flow

Harman dbx DDP
40 pages
Print Icon
To Next Page IconTo Next Page
To Next Page IconTo Next Page
To Previous Page IconTo Previous Page
To Previous Page IconTo Previous Page
Loading...
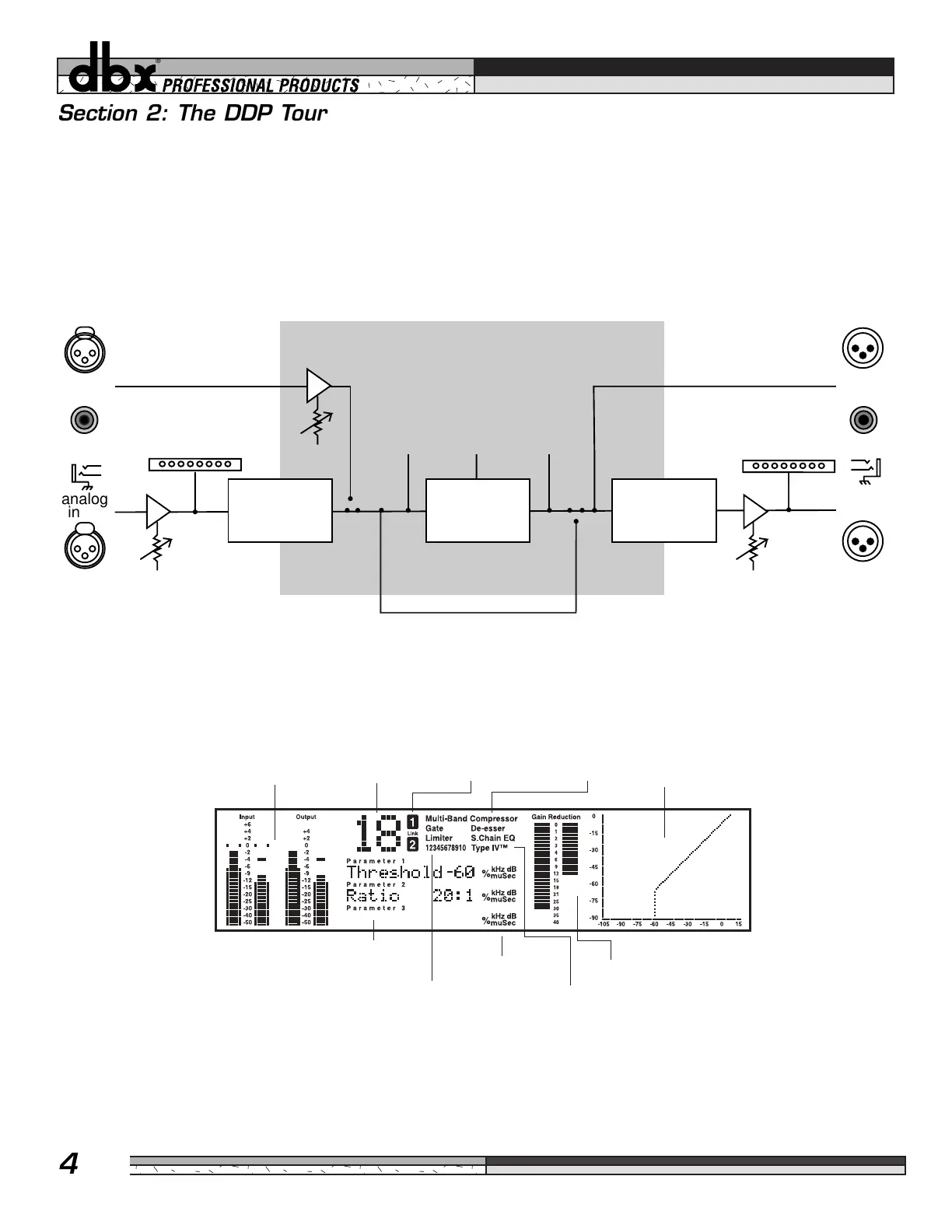
Signal Flow
The following simple illustrations show how audio signal flows through the DDP, and how the LCD display
works. They will help you to understand where the DDP’s metering points are located, as well as identify the var-
ious elements of the LCD display.
{{{{||||
®
,,,,yyyyzzzz
4
Section 2: The DDP Tour
analog
input
analog
input
meter
analog
input
control
digital
input
control
digital
input
analog
output
digital
input
meter
gain
reduction
meter
A /D
Convertor
D / A
Convertor
Dynamics
Processor
digital
output
meter
digital
output
analog
output
meter
analog
output
control
DSP (Software - based)
Operations
Bypass
Figure 1: DDP Signal Flow
Parameter
measurement
units
Digital
conversion
indicator
Gain Reduction meter
3 parameters
per "page"
Parameter
page number
Program
number
Chain number
within program
stereo link indicator
Chain element
identifier
Compression curve graph
Digital input /
output meters
(peak and average)
Figure 2: DDP LCD display

Table of Contents