EasyManua.ls Logo

Hayter T424 - Hydraulic Circuit Diagram

Hayter T424
86 pages
Print Icon
To Next Page IconTo Next Page
To Next Page IconTo Next Page
To Previous Page IconTo Previous Page
To Previous Page IconTo Previous Page
Loading...
953910KG141004
1.81
1.81
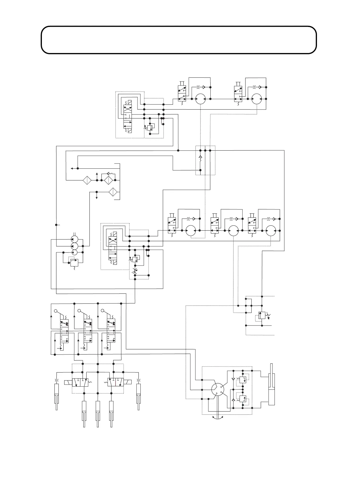
HYDRAULIC CIRCUIT DIAGRAM
16
54
54
17
14
15
18
19
13
12
11
20
5
6
7
8
10
47
HL
35
34
33
32
31
30
29
28
27
24
22
21
23
25
LB
26
LBX
46
PX
45
D3D2D1TPC
9
PT B A
53
21
23
37
PX
DC
RB
MB
B1
HL
T
49
48
FB
B2
D1
TPAB
36
38
39
40
41
42
43
22
50
52
51
4321
PX
44
2P953C01A

Table of Contents

Related product manuals