EasyManua.ls Logo

HearthStone 8321 - Wiring Instructions; Wiring Diagram

HearthStone 8321
40 pages
Print Icon
To Next Page IconTo Next Page
To Next Page IconTo Next Page
To Previous Page IconTo Previous Page
To Previous Page IconTo Previous Page
Loading...
HearthStone Quality Home Heating Products Inc Stowe Model #8321
02044-1
22
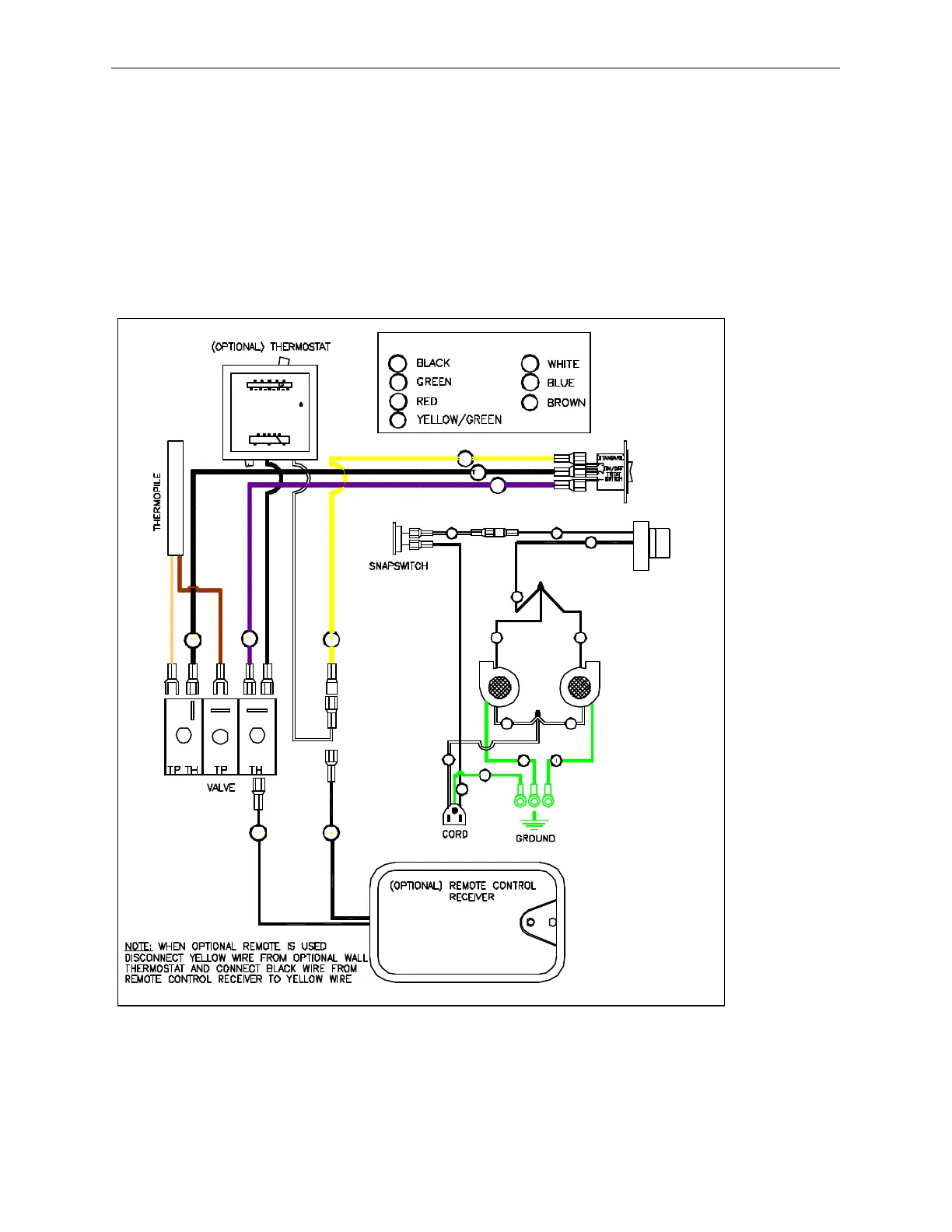
WIRING INSTRUCTIONS
CAUTION: Label all wires prior to disconnection when servicing controls. Wiring errors
can cause improper and dangerous operation. Verify proper operation after servicing.
(Attention: Au moment de l’entretien des commandes, étiquetez tous les fils avant le
débranchement. Des erreurs de câblage peuvent entraîun fonctionnement inadequate et
dangereux.) The proper location of wire connections is shown in Figure 16.
BkBk
Y
V
Bk
W
BkBk
Bk
W
G
G G
W
Wiring Diagram - Tucson
Wiring Color KEY:
Hearthstone
10 20 30
50 70 90
c
OFF
O
W
YG
Bk
V
Y
10 20 30 c
50 60 70 80 90
O
G
R
Bk
Br
Bk
W
Bk
B
W
Figure 16: Wiring Diagram