EasyManua.ls Logo

HearthStone TUCSON - Page 27

HearthStone TUCSON
44 pages
Print Icon
To Next Page IconTo Next Page
To Next Page IconTo Next Page
To Previous Page IconTo Previous Page
To Previous Page IconTo Previous Page
Loading...
HearthStone Quality Home Heating Products Inc Tucson Model #8700
27
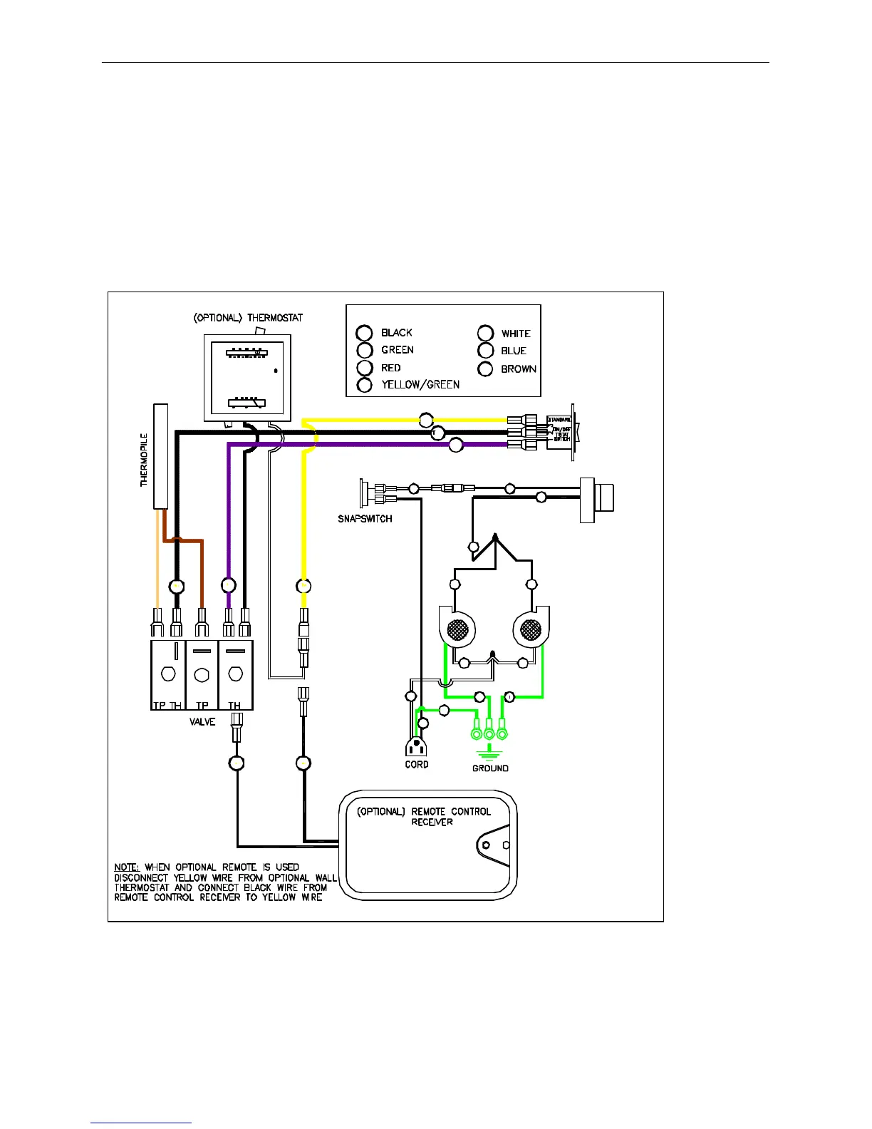
WIRING INSTRUCTIONS
CAUTION: Label all wires prior to disconnection when servicing controls. Wiring errors
can cause improper and dangerous operation. Verify proper operation after servicing.
(Attention: Au moment de l’entretien des commandes, étiquetez tous les fils avant le
débranchement. Des erreurs de câblage peuvent entraîun fonctionnement inadequate et
dangereux.) The proper location of wire connections is shown in Figure 19.
BkBk
Y
V
Bk
W
BkBk
Bk
W
G
G G
W
Wiring Diagram - Tucson
Wiring Color KEY:
Hearthstone
10 20 30
50 70 90
c
OFF
O
W
YG
Bk
V
Y
10 20 30 c
50 60 70 80 90
O
G
R
Bk
Br
Bk
W
Bk
B
W
Figure 19: Wiring Diagram

Other manuals for HearthStone TUCSON

Related product manuals