EasyManua.ls Logo

Heatmaster HM 101 - Wiring Diagram

Heatmaster HM 101
20 pages
Print Icon
To Next Page IconTo Next Page
To Next Page IconTo Next Page
To Previous Page IconTo Previous Page
To Previous Page IconTo Previous Page
Loading...
7 8 9 10 11 12
L1 N T1 T2 S3 B4
L1 N T1 T2 S3 B4
1 2 3 4 5 6 7 8 9 10 11 12 13 14 15 16 17 18 19 20
1 2 3 4 5 6 1 2 3 4 5 6 7 8 9 10 11 12 1 2 3 4 5 1 2 3
L1 N T1 T2 S3 B4
B5 T6 T7 T8
3
4
230V ~ 50 Hz
56
MM
FF
X1 X2 X3 X4
F
M
BG 2000-M/101
1 2 3 4 5 C 1
B5 T6 T7 T8
L1 N T1 T2 S3 B4
L1 N V1 V2 V1 V2
2
1
13 14 15 17
16
BG 2000-M 71/101
HEATMASTER 71/101
ACV / MCBA
11
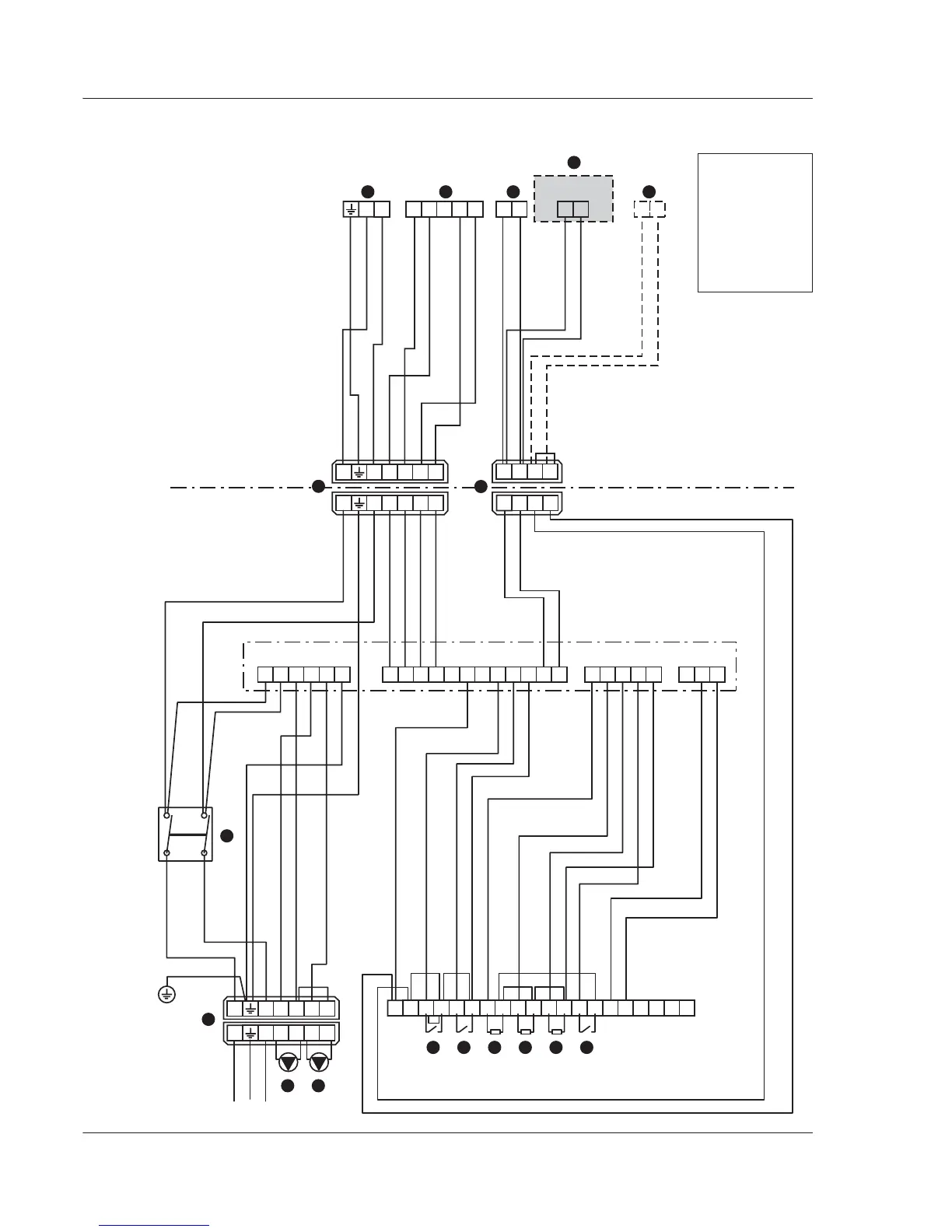
INSTALLATION
HeatMaster 71/101 and
burner wiring diagram legend
1. 7-pin burner plug connector
2. 4-pin burner plug connector
3. On/off switch
4. Power and pump connection
5. Central heating pump
6. HeatMaster shunt pump
7. Room thermostat
8. Low water pressure switch
9. Primary temperature detector NTC 1
10. Primary temperature detector NTC 2
11. Hot water temperature detector NTC 3
12. Summer/winter switch
13. Fan power supply 230 volts
14. Fan PWM
15. Gas valve rectifier
16. Gas valve rectifier (HM 101)
17. Gas pressure switch (optional)
Y/Gr
Br
Bk
B
Br
B
Br
R
G
B
B
Br
Y/Gr
Bk
Br Br
BB
Or
O-W
Bk
R
B
B
G
Br
Y/Gr
Bk
O-W
Br
B
Y
B
Br
Bk
O-W
Br
B
Y
Br
O-W
Y/Gr
Bk
Y
O-W
Y/Gr
Y/Gr
Br
Y/Gr
Bk
Bk
B
Y
Y/Gr
Br
B
R
G
Gr
B
W
R
Or
B
B
Bk
Or
R
Gr
G
GOr
Or Or
G
Bk
O-W
B
W
R
Or
B
B
Bk
Or
Br
B
Br
B
Br
B
B. Blue
Br. Brown
Bk. Black
Or. Orange
G. Grey
R. Red
O-W. Off-white
W. White
Y. Yellow
Gr. Green
Y/Gr. Yellow / Green

Related product manuals