EasyManua.ls Logo

HELI CPCD 30 - Page 61

Default Icon
98 pages
Print Icon
To Next Page IconTo Next Page
To Next Page IconTo Next Page
To Previous Page IconTo Previous Page
To Previous Page IconTo Previous Page
Loading...
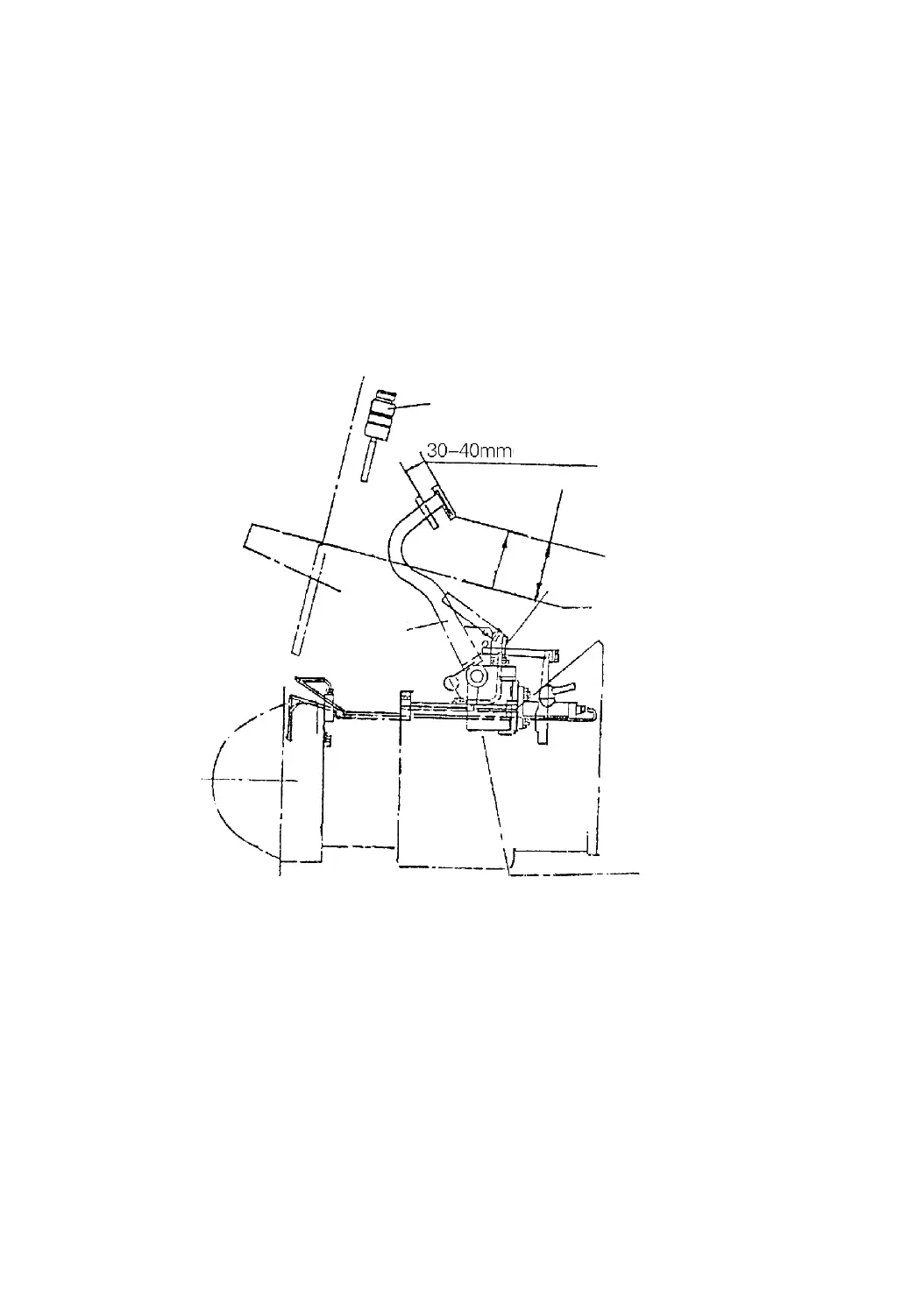
8.6 Brake Pedal Adjustment (Truck with clutch) (See Fig.8-7)
(1) Make the push rod short.
(2) Adjust the pedal to the height of 111mm.
(3) With the brake pedal pressed by the idle stroke of 30-40mm, pull the push
rod out until its front end comes into contact with the master cylinder piston.
(4) Tighten the push rod lock nut.
Fig.8-7 Brake pedal adjustment (truck with clutch)
1
15
m
m
Free travel stroke
Stop bolt
Pedal
Oil tank
-59-
(2-3.8t)

Related product manuals