EasyManua.ls Logo

HELI CPCD 30 - Page 97

Default Icon
98 pages
Print Icon
To Next Page IconTo Next Page
To Next Page IconTo Next Page
To Previous Page IconTo Previous Page
To Previous Page IconTo Previous Page
Loading...
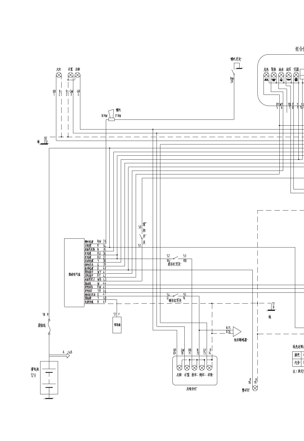
Fig. 11-1 Electric system
-95-

Related product manuals