EasyManua.ls Logo

HEXING HXP210 - Page 51

Default Icon
71 pages
Print Icon
To Next Page IconTo Next Page
To Next Page IconTo Next Page
To Previous Page IconTo Previous Page
To Previous Page IconTo Previous Page
Loading...
User manual for G3
46
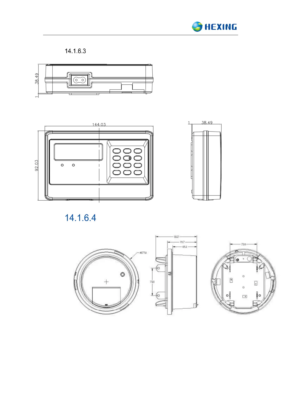
CIU EV500:
CIU EV800

Related product manuals