EasyManua.ls Logo

HEXING HXP210 - Installation

Default Icon
71 pages
Print Icon
To Next Page IconTo Next Page
To Next Page IconTo Next Page
To Previous Page IconTo Previous Page
To Previous Page IconTo Previous Page
Loading...
User manual for G3
47
Installation:
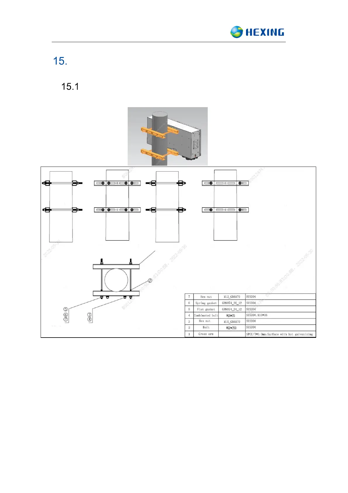
Installation accessories:
Hoop bracket
It is used in the case of pole installation. The bracket fits no matter cylindric
pole or cuboid pole. And the bracket is made of power coated galvanized
steel.
Cross arm

Related product manuals