EasyManua.ls Logo

Hifonics VRX82A - Page 4

Hifonics VRX82A
Print Icon
To Next Page IconTo Next Page
To Next Page IconTo Next Page
To Previous Page IconTo Previous Page
To Previous Page IconTo Previous Page
Loading...
4
LPF
BASS BOOSTLEVEL
PHASE
SHIFT
X-OVER
SLOPE
AUTO
TURN ON
FUSE
MIN MAX 0dB 12dB 50Hz 150Hz
REM GND+12V
POWER
PROTECT
AUDIO INPUT
HI LEVEL INPUT
BASS LEVEL
++
ON
OFF
180°
18dB
12dB
L
L L
R
R
R
CONTROLLER
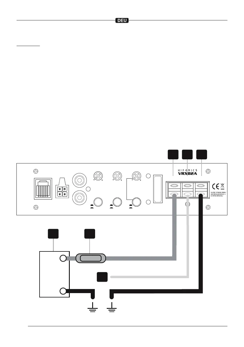
STROMVERSORGUNG UND EINSCHALTLEITUNG
ACHTUNG: Bevor Sie mit der Installation beginnen, klemmen Sie den Masseanschluss (–) der Fahr-
zeugbatterie ab, um Kurzschlüsse und Schäden zu vermeiden.
Die in Fahrzeug-Bordnetzen übliche Stromverkabelung ist nicht ausreichend für den Bedarf eines Verstärkers
mit dieser Leistung. Achten Sie darauf, dass die Stromleitungen zum GND und +12 V-Anschluss ausreichend
groß dimensioniert sind.
Stellen Sie zunächst eine Verbindung zwischen dem GND-Anschluss [ 6 ] des Verstärkers und einem ge-
eigneten Masse-Anschlusspunkt an der Fahrzeugkarosserie her. Um eine gute Verbindung zu garantieren,
sollten Schmutzreste sorgfältig vom Masse-Anschlusspunkt entfernt werden. Ein lockerer Anschluss kann eine
Fehlfunktion oder Störgeräusche und Verzerrungen zur Folge haben.
Der +12 V-Anschluss [ 4 ] des Verstärkers muss mit einem ausreichend dimensionierten Stromkabel mit integ-
rierter Sicherung mit dem Pluspol der Batterie [ 1 ] verbunden werden. Diese Sicherung [ 2 ] sollte sich in Nähe
der Batterie benden, die Kabellänge vom Pluspol der Batterie bis zur Sicherung muss aus Sicherheitsgründen
unter 30 cm liegen. Setzen Sie die Sicherung erst nach Abschluss aller Installationsarbeiten einschließlich der
Lautsprecher-Anschlüsse ein.
Schließen Sie nun die Einschaltleitung [ 3 ] des Steuergeräts (Autoradio) an die REM-Buchse [ 5 ] des Verstär-
kers an. Für diese Verbindung ist ein Kabel mit einem Querschnitt von ca. 0,5 mm
2
ausreichend.
Im Falle eines Defekts der Gerätesicherung [ FUSE ], muss diese durch eine gleichwertige ersetzt werden.
+
3
2
4 65
1

Related product manuals