EasyManua.ls Logo

Hillyard Trident V12XP - Wiring Diagram

Hillyard Trident V12XP
32 pages
Print Icon
To Next Page IconTo Next Page
To Next Page IconTo Next Page
To Previous Page IconTo Previous Page
To Previous Page IconTo Previous Page
Loading...
24
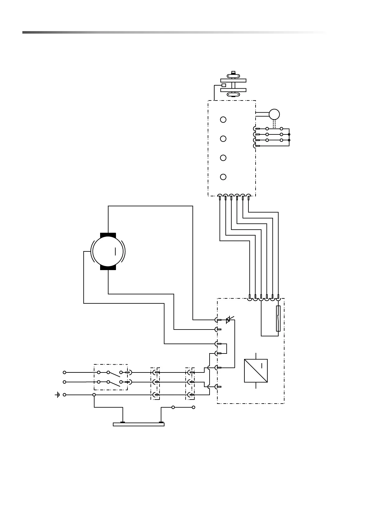
Wiring Diagram
M
PCB 12V power supply
Fuente de alimentación de 12V para la
tarjeta de circuitos impresos
Plaquette alimentation 12V
PCB computer controller
Controlador de tarjeta MC
Contrôleur électronique
Servo motor 12V
Servo-motor de 12V
Servomoteur 12V
Vaccum motor
Motor de aspiración
Moteur d‘aspiration
Main switch
Interuptor principal
Interrupteur principal
Filter housing
Compartimiento del filtro
Logement sac poussiére
Handle tube
Tubo de la manilla
Tube de manche
Hall sensor
Sensor de efecto Hall
Sonde de Hall
120V~
~
Reed contact swivel switch
Contacto Reed interuptor articulatión
Contact à lames souples interrupteur joint
M
~
Hose
Manguera
Flexible
HIL56081 - Operators Manual - Trident V12XP

Related product manuals