EasyManua.ls Logo

Hisense BCD-535 W - 6 Circuit and Checking; Circuit Diagram

Hisense BCD-535 W
68 pages
Print Icon
To Next Page IconTo Next Page
To Next Page IconTo Next Page
To Previous Page IconTo Previous Page
To Previous Page IconTo Previous Page
Loading...
40
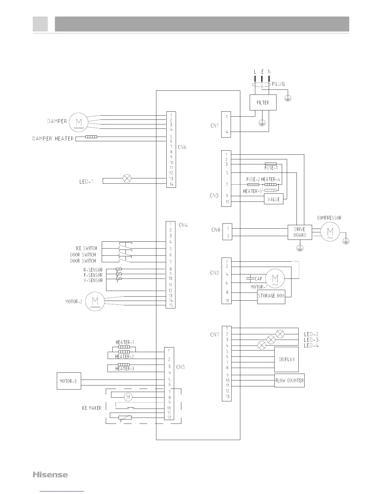
6.Circuit and checking
6.1 Circuit diagram

Related product manuals