EasyManua.ls Logo

Hisense LTDN40D50TAM - Page 33

Hisense LTDN40D50TAM
42 pages
Print Icon
To Next Page IconTo Next Page
To Next Page IconTo Next Page
To Previous Page IconTo Previous Page
To Previous Page IconTo Previous Page
Loading...
1
1
2
2
3
3
4
4
5
5
6
6
7
7
8
8
D D
C C
B B
A A
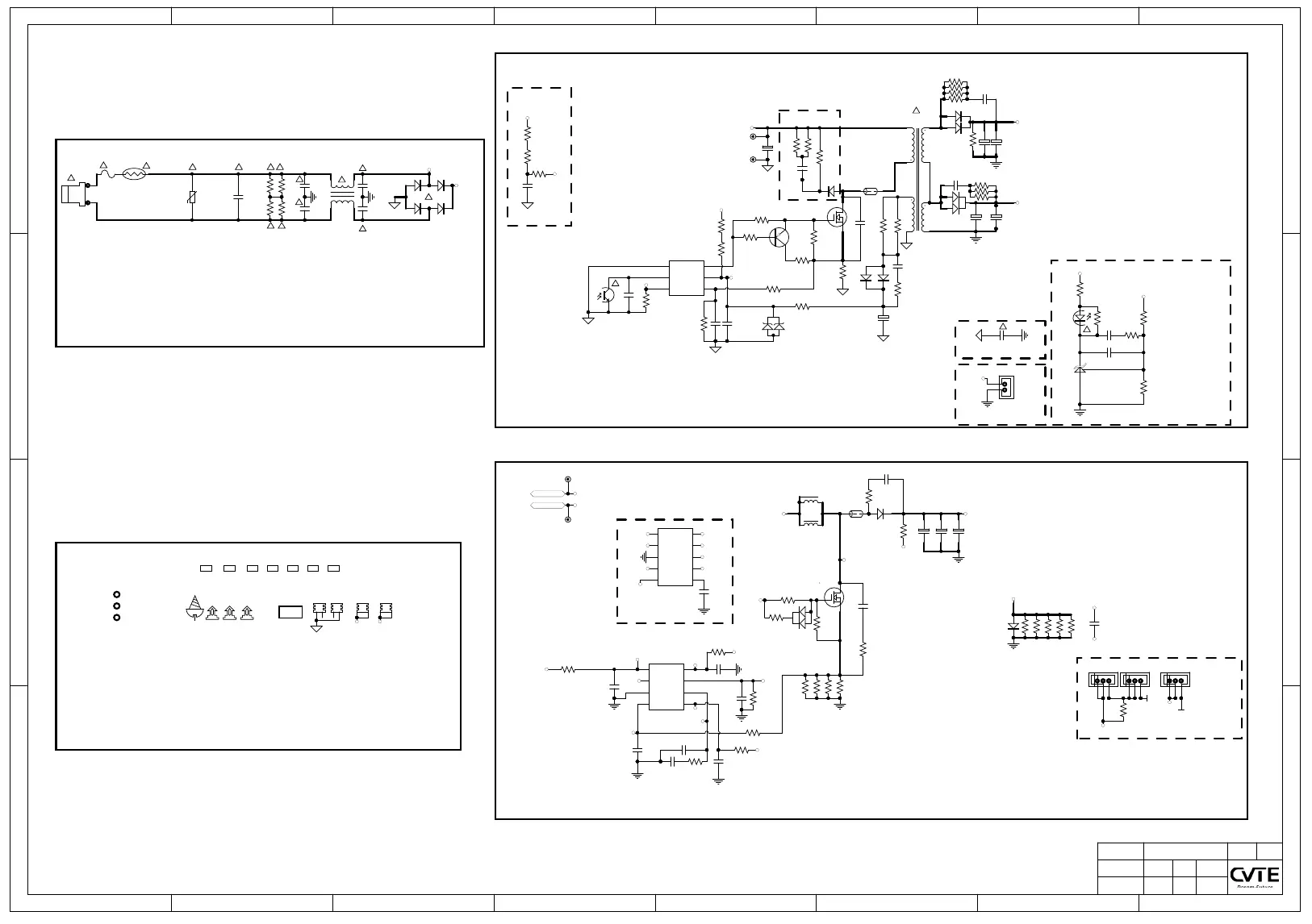
TP.S512.PB751 A14511
Model Name:
CHK'D:
DATE:
VERSION:
DATE:
DRAWN: 林文添
2015-01-07
V1.0
2015-01-07
VCC
SGND
SGND
SGND
SGND
SGND
GND
VBL
GND
12V
GND
GND
12V
12V
12V
Vbridge
L
GNDSGND
BRO
!
!
!
!
3 4
PCB101B
12
PCB101A
KA
R
UB102
RB105
RB107
RB108
RB109
RB148
+
EB106
RB125
RB140
CB117
RB132 RB135
RB133
CB109
CB110
RB134
RB123
QB102
DB101
GND
GND
GND
OVP
LED_FB
OVP
LED+
GATE
GATE
GND
GND
PWM_DIM
GND
VBL
12V
GND
LED_FB
LED+
LED_FB
LED_FB
LED+
PIN1
PIN4
PIN5
PIN6
PIN8
GND
VIN
1
GATE
2
GND
3
CS
4
PWM
8
COMP
6
FB
5
OVP
7
UB801
RB801
CB806
RB803
RB806
CB805
RB804
RB812
RB810
RB807
RB808
RB814
+
EB803
AK
DB804
RB837
RB839
RB840
RB841
CB804
HS
Mylar
ML1
1
1
HS
2
2
HSB3
12V
MB1
RB845
CB101
SGND
+
EB801
+
EB802
RB103
+
EB102
RB838
AK
DB104
RB126
RB127
RB128
RB129
RB130
1
1
HS
2
2
HSB4
HS
CB102
AK
DB105
RB110
1
1
3
3
2
2
ZDB1
DB802
RB809
SGND
11
RB818
RB819
RB820
RB821
10
RB124
RB114
CB113
RB111
CB808
LED+
LED_FB
RB805
CB812
CB803
CB807
CB116
AK
DB106
QB101
和散热片之间
GL1
GL2
CB103
RB131
RB118
RB101
RB102
RB115
6
4
1
2
9
7
TB101
HS
HSB1
HS
HSB2
CB801
CB809
CB810
+
EB101
LB801
2 5
6
LB802
RB117
EVA1 EVA2 EVA3
PWM_DIM
PWM_REF PWM_REF
PWM_DIM
GND
GATE
GND
PIN4 PIN5
PIN6
OVP
PIN8PIN1
PWM_REF
CB811
PWM_DIM
PWM_REF
VIN
1
GATE
2
GND
3
CS
4
COMP
8
REF
6
ISET
5
FB
7
OVP
9
DIM
10
UB802
TP2
TP1
+
EB103
RB106
L
SGND
BRO
CB111
RB141
RB142
RB143
RB143
靠近
IC
放置
RB816
CYB3
CB114
1
2
CNB2
1
2
CNB801
1
2
CNB805
1
2
CNB806
1
2
3
CNB802
CB115
RB104
GD1 GD2 GD3
GND
1
COMP
2
NC
3
CS
4
VCC
5
GATE
6
UB101
BB101
SGND
GND
Vbridge
!
!
!
! !
! !
!
!
!
RB1
RB2
RB3
RB4
3
1
N
L
CNB1
NTCB1
FB1
L
!
!
CYB1
CYB2
CYB5
CYB4
12
43
LCB1
CXB1
+
EB1
1
2
3
CNB803
1
2
3
CNB804
!
!
GND
MOVB1
EVA4 EVA5 EVA6 EVA7
DB1 DB2
DB3 DB4
!
A K
DB102
A K
DB103
CB118
+
EB104
+
EB105
D
G
S
QB101
BB801
DB801
D
G
S
QB801
T3.15AL 250V~
NC
NC
NC
NC
NC
NC
NC
NC
NC
NC
NC
NC
NC NC
NC
NC
NC NC NC
NC NC NC NC NC NC NC
NC

Related product manuals