EasyManua.ls Logo

Hitachi RAK-35WPD - RAC-42 WPD;50 WPD Outdoor Unit Wiring

Hitachi RAK-35WPD
46 pages
Print Icon
To Next Page IconTo Next Page
To Next Page IconTo Next Page
To Previous Page IconTo Previous Page
To Previous Page IconTo Previous Page
Loading...
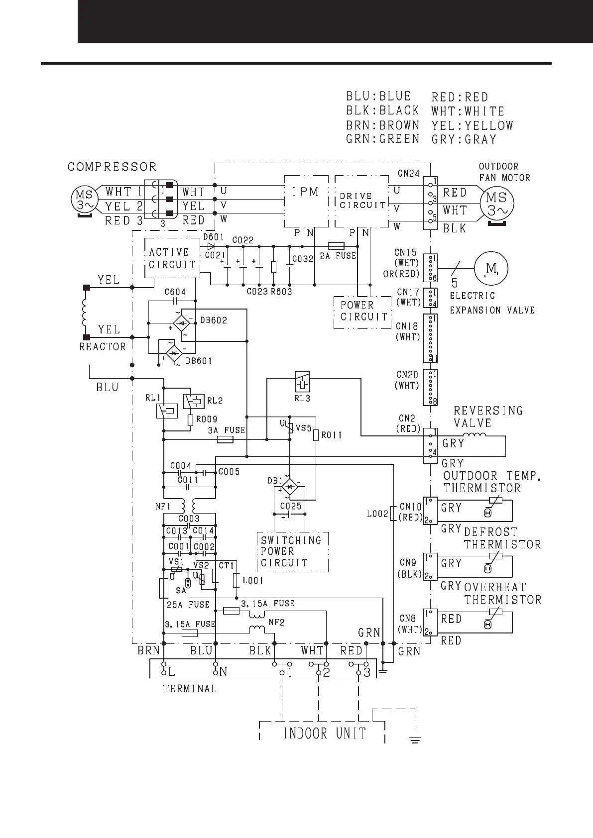
7.3. RAC-42WPD/50WPD
24
WIRING DIAGRAM

Table of Contents

Related product manuals