EasyManua.ls Logo

Hitachi RAS-D18EX3 - Printed Wiring Board Diagrams

Hitachi RAS-D18EX3
168 pages
Print Icon
To Next Page IconTo Next Page
To Next Page IconTo Next Page
To Previous Page IconTo Previous Page
To Previous Page IconTo Previous Page
Loading...
– 43 –
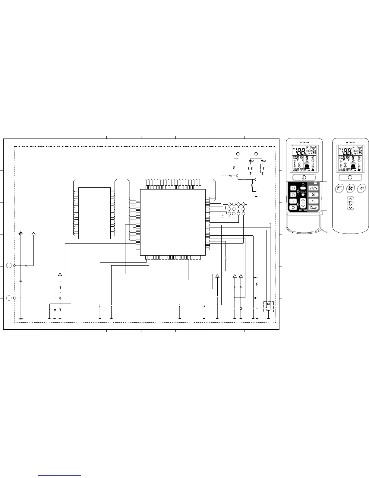
WIRING DIAGRAM OF THE PRINTED WIRING BOARD
SCHÉMA ELÉCTRIQUE DU CIRCUIT IMPRIMÉ
[Remote controller] RAR-3U4
[Télécommande] RAR-3U4
LCD1
   SW1
SW−187−2P
JSW2
JSW1
+
-
C2
1μF / 50V
R15 18Ω
C5
18pF
C4
22pF
 X2
32. 768KHz
C7
1μF
C6
1μF
SW2
RESETKEY
(SW-RUBBER)
D3
1SS355
R11
100kΩ
X1 4MHz
03GES
1
3G
ES
02P
1
2P
22P
3
2P
42P
5
2P
62
P
72P
SS
V
TUOX
NIX
TUOCX
N
ICX
TESER
04
P
14
P
24P
34P
04
9
3
83
73
63
53
43
33
2
3
13
0
3
92
82
7
2
62
52
42
32
22
12
1
2
3
4
5
6
7
8
9
10
11
12
13
14
15
16
17
18
19
20
P67
P66
P65
P64
P63
P62
P61
P60
P57
P56
P55
P54
P53
P52
P51
P50
P47
P46
P45
P44
SEG10
SEG11
SEG12
SEG13
SEG14
SEG15
SEG16
SEG17
SEG18
SEG19
SEG20
SEG21
SEG22
SEG23
SEG24
SEG25
SEG26
SEG27
SEG28
SEG29
60
59
58
57
56
55
54
53
52
51
50
49
48
47
46
45
44
43
42
41
9GE
S
8GES
7GES
6GES
5GES
4GES
3
G
E
S
2GES
1GES
0GE
S
CC
V
FERV
SSVA
3MOC
2MOC
1MOC
0MOC
3LV
2L
V
1LV
1
6
26
36
46
5
6
66
76
8
6
9
6
07
17
27
37
47
57
67
77
87
97
08
PS1〜PS12
C8 0.1μF
R12
220kΩ
R1
3.3Ω
(
1/8W)
R2
3.3Ω
(
1/8W)
R3
3.3Ω
(
1/8W)
R4
3.3Ω
(
1/8W)
R7
220Ω
R8
1kΩ
R6
2. 2kΩ
Q2
2SC3443
Q1
2SA1235
D1
EL−1L7
2
EL−1L7
R10
220kΩ
R9
10MΩ
IDJS
R13
220kΩ
R14
220kΩ
R5
1.2kΩ
C9 0.1μF
TP1
COM3
COM2
COM1
COM0
TP2
TP3
01 02 03 04
05 06 07 08
09 10 11 12
IC1
R16
4.7kΩ
+
−
NC
NC
NC
NC
NC
NC
NC
NC
NC
M38235G6−XXXHP
12345678
12345678
A
B
C
D
E
F
A
B
C
D
E
F
SEG0
SEG1
SEG2
SEG3
SEG4
SEG5
SEG6SEG7
SEG8
SEG9
SEG10
SEG11
SEG12
SEG13
SEG14
SEG15
SEG16
SEG17
SEG18
SEG19
SEG20
SEG21
SEG22
SEG24
SEG23
SEG25
SEG26
INPUT
ENTRÈE
OUTPUT
PRODUCTION

Related product manuals