EasyManua.ls Logo

Hitachi V-355 - Page 42

Hitachi V-355
54 pages
Print Icon
To Next Page IconTo Next Page
To Next Page IconTo Next Page
To Previous Page IconTo Previous Page
To Previous Page IconTo Previous Page
Loading...


ic
_s





 











i


 







I


  
  
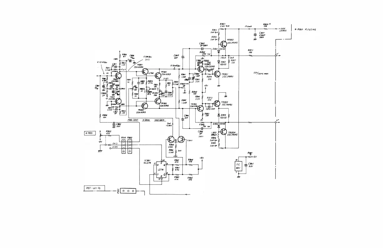
H-AMP
